Plastik Tabanlı Galvaniz Saplamalı Sabit Papuç
400 - Plastik Tabanlı Galvaniz Saplamalı Pabuç, konveyör ve endüstriyel makine sistemlerinde seviye ayarı, dengeleme ve stabil destek sağlamak amacıyla tasarlanmış ekonomik ve dayanıklı bir ayak pabuç çözümüdür. Dayanıklı plastik tabanı ve galvaniz kaplı çelik saplaması sayesinde güvenilir performans ve korozyona karşı direnç sunar.
Öne Çıkan Özellikler
- Yüksek dayanımlı plastik taban ile zemin koruyucu yapı
- Galvaniz kaplı çelik saplama sayesinde korozyon direnci
- Ayarlanabilir saplama ile pratik seviye ayarı
- Titreşimi azaltan stabil taban tasarımı
- Kolay montaj ve hızlı kullanım
- Uzun ömürlü, bakım gerektirmeyen yapı
Kullanım Alanları
- Konveyör ayak ve şase sistemleri
- Endüstriyel makineler ve ekipmanlar
- Paketleme ve otomasyon hatları
- Depolama ve lojistik sistemleri
- Orta yük taşıma uygulamaları
Avantajları
Plastik tabanlı galvaniz saplamalı pabuç, zemindeki küçük eğim ve düzensizlikleri kolayca telafi eder, makine ve konveyör sistemlerinin dengeli çalışmasını sağlar. Ekonomik yapısı ve sağlamlığı ile endüstriyel uygulamalarda güvenilir bir çözümdür.
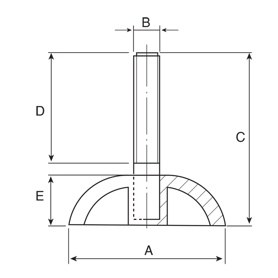
| Stok Kod | A | B | C | D | E | Kg | ![]() |
N (Newton) |
|---|---|---|---|---|---|---|---|---|
| 400 400 855 | 40 | M8 | 55 | 35 | 15 | 0,30 | 100 | 4000 |
| 400 500 855 | 50 | M8 | 55 | 35 | 17 | 0,035 | 100 | 5000 |
| 400 501 855 | 50 | M10 | 55 | 35 | 17 | 0,50 | 100 | 5000 |


