Gövde Bağlantı Takozu
240-3 Gövde Bağlantı Takozu, konveyör sistemleri ve alüminyum profil konstrüksiyonlarda gövde elemanları arasında sağlam, güvenli ve uzun ömürlü bağlantı sağlamak amacıyla tasarlanmıştır. Dayanıklı yapısı sayesinde sistem bütünlüğünü korur ve titreşimi minimize eder.
Gövde Bağlantı Takozu Öne Çıkan Özellikleri
- Yüksek dayanımlı malzeme yapısı
- Gövde elemanları arasında güçlü ve stabil bağlantı
- Titreşimi azaltan sağlam bağlantı performansı
- Konveyör ve profil sistemleriyle tam uyum
- Kolay ve hızlı montaj imkânı
- Uzun ömürlü, bakım gerektirmeyen kullanım
Kullanım Alanları
- Konveyör şase ve gövde sistemleri
- Alüminyum profil konstrüksiyonlar
- Otomasyon ve üretim hatları
- Makine ve ekipman montajları
- Modüler sistem uygulamaları
Avantajları
Gövde bağlantı takozu, sistem elemanlarının güvenli şekilde birleştirilmesini sağlar, bağlantı noktalarındaki esnemeyi azaltır ve yapısal dayanımı artırır. Endüstriyel kullanıma uygun yapısıyla uzun süreli performans sunar.
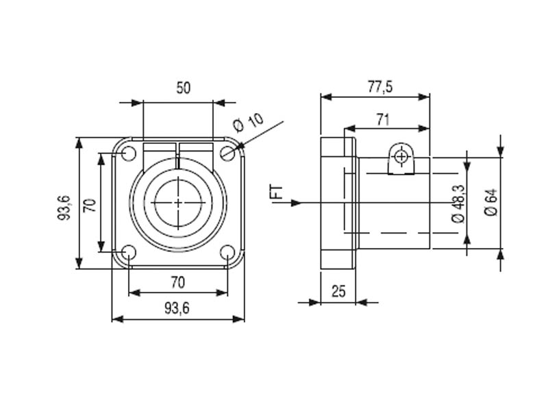
| Stok Kod | Malzeme | DF (mm) | FT (N) | KG | ![]() |
|---|---|---|---|---|---|
| 240.021.180 | Güçlendirilmiş Polyamid | 48,3 | 1500 | 0.300 | 16 |


