Konveyör Sistemleri İçin Plastik Rulo Başlığı
KTR Model Rulo Başlık (Ø16), konveyör sistemlerinde kullanılan plastik rulo başlığı modelidir. Hafif yük taşıyan konveyörlerde boru ile mil bağlantısını sağlayarak rulonun daha sessiz, daha verimli ve uzun ömürlü çalışmasına yardımcı olur. Dizme bilyeli yapısı sayesinde düşük sürtünme ile yüksek performans sağlar.
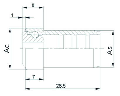
Bu ürün, Ø16 mm borular için özel olarak tasarlanmıştır ve konveyör hattında sorun yaratmadan uyumlu şekilde çalışır.
KTR Model Rulo Başlık (Ø16) Kullanım Alanları
- Konveyör sistemleri
- Endüstriyel montaj hatları
- Hafif yük taşıma sistemleri
- Paketleme ve taşıma hatları
- Otomasyon hatları
Konveyör rulolarının sessiz ve düzgün dönmesi gereken tüm uygulamalarda kullanılabilir.
Avantajlar
- Kolay montaj
- Sessiz çalışma
- Hafif yapı
- Düşük sürtünme
- Uygun maliyet
- Yedek parça uyumluluğu
Neden KTR Rulo Başlık?
- Ekonomik çözüm
- Yaygın konveyörlere uyumlu
- Uzun ömürlü plastik yapı
- Bakım ihtiyacını azaltır
| Stok Kod | Model | Malzeme | Mil Çapı (Ø) | Özellik | Ac | As | ![]() |
|---|---|---|---|---|---|---|---|
| K00.161.006 | KTR-16x1.0 | PA | 6 | Dizme Bilyalı | 15,9 | 14,1 | 100 |


