Rulolu Konveyör Sistemleri İçin Güvenli, Dayanıklı ve Hassas Rulo Sabitleme Çözümü
766 Rulolu Konveyörler İçin Rulo Tutucu, rulolu konveyör hatlarında taşıyıcı ruloların doğru eksende, sabit ve titreşimsiz şekilde çalışmasını sağlamak amacıyla tasarlanmıştır. Dayanıklı yapısı sayesinde sürekli çalışan üretim hatlarında güvenilir performans sunar ve konveyör sistemlerinin ömrünü uzatır.
🔧 Ürün Özellikleri
- Ürün Kodu / Model: 766
- Ürün Tipi: Rulo tutucu / rulo yataklama elemanı
- Kullanım Amacı: Rulo sabitleme ve hizalama
- Uyum: Standart rulolu konveyör sistemleri
- Montaj Tipi: Vidalı / cıvatalı montaj
- Malzeme Seçenekleri: Çelik, galvanizli çelik (opsiyonel)
- Çalışma Tipi: Sürekli ve endüstriyel kullanım
🚀 Avantajları
- Güvenli Sabitleme: Ruloların yerinden çıkmasını ve eksen kaçıklığını önler
- Düzgün Akış: Taşıma sırasında sessiz ve stabil çalışma sağlar
- Dayanıklı Yapı: Endüstriyel koşullarda uzun ömürlü kullanım
- Kolay Montaj: Standart bağlantı ölçüleriyle hızlı kurulum
- Düşük Bakım: Sağlam yapısı sayesinde minimum bakım ihtiyacı
🏭 Kullanım Alanları
- Rulolu konveyör sistemleri
- Paletli ve koli taşıma hatları
- Lojistik ve depolama sistemleri
- Üretim ve montaj hatları
- Otomasyon ve sevkiyat sistemleri
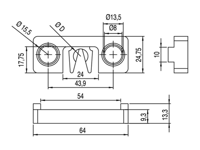
📐 Teknik Bilgiler
- Uygun Rulo Çapları: Projeye göre değişken
- Bağlantı Ölçüleri: Standart ve özel üretim seçenekleri
- Yüzey Kaplama: Galvaniz / isteğe bağlı kaplama
- Çalışma Ortamı: Sürekli, yoğun ve endüstriyel kullanım koşulları
Not: Doğru rulo tutucu seçimi, rulolu konveyör sistemlerinde performans ve sistem ömrü açısından kritik öneme sahiptir.
❓ Sıkça Sorulan Sorular (SSS)
766 rulo tutucu hangi konveyör tipleriyle uyumludur?
Standart rulolu konveyör sistemlerinin büyük çoğunluğuyla uyumludur.
Özel ölçü üretim yapılabilir mi?
Evet. Rulo çapı ve şase yapısına göre özel üretim mümkündür.
Montajı zor mu?
Hayır. Vidalı yapısı sayesinde hızlı ve pratiktir.
| Stok Kod | Malzeme | ØD | Kullanılan Profil | KG | ![]() |
|---|---|---|---|---|---|
| 766 RUT 008 | Güçlendirilmiş Polyamid | 8 | 40x40 - 45x45 - 45x90 - 50x50 | 0,10 | 50 |
| 766 RUT 010 | Güçlendirilmiş Polyamid | 10 | 40x40 - 45x45 - 45x90 - 50x50 | 0,10 | 50 |
| 766 RUT 012 | Güçlendirilmiş Polyamid | 12 | 40x40 - 45x45 - 45x90 - 50x50 | 0,10 | 50 |


