766 – Bayrak T Bağlantı Açısı Ayarlı, sigma alüminyum profil sistemlerinde farklı açılarda T bağlantı oluşturmak için geliştirilmiş ayarlanabilir bir bağlantı elemanıdır. Standart sabit açılı modellerin aksine, bu ürün istenilen açıda hassas pozisyonlama sağlar ve çok yönlü çözümler sunar. Ayarlanabilir yapısı sayesinde proje esnekliğini artırır ve özel konstrüksiyon ihtiyaçlarına tam uyum sağlar.

Öne Çıkan Özellikler

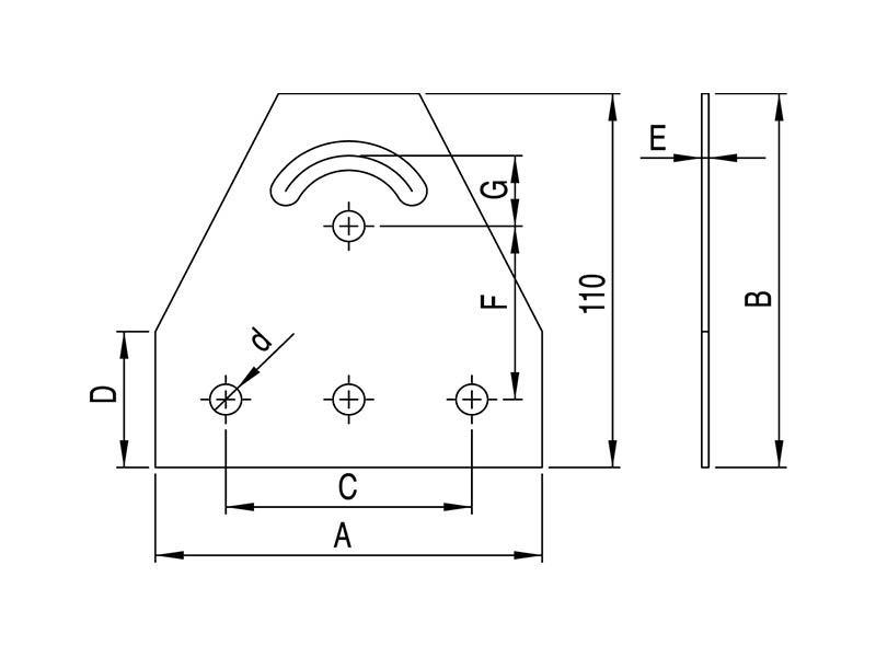
  • Ayarlanabilir Açı Mekanizması: T bağlantıları 0°–180° arasında istenilen açıda konumlandırma imkânı.
  • Yüksek Mukavemetli Gövde: Çelik veya döküm malzeme ile uzun ömürlü ve sağlam bağlantı.
  • Sigma Profillerle Uyumluluk: 30’luk, 40’lık, 45’lik ve 50’lik seri profillerle yaygın kullanım.
  • Hassas Ayar Kolaylığı: Cıvata ve somun seti ile hızlı kilitleme ve sağlam sabitleme.
  • Esnek Montaj: Farklı yönde bağlama imkânı sunan T yapısı.
  • Endüstriyel Tasarım: Eloksallı profil sistemleriyle uyumlu estetik görünüm.

Kullanım Alanları

  • Ayarlanabilir iskelet yapıları
  • Otomasyon sistemleri ve üretim hatları
  • Konveyör taşıyıcı konstrüksiyonları
  • Makine koruma kafesleri
  • Özel açılı platform ve aparat tasarımları
  • Taşıyıcı profil sistemleri

Neden 766 – Bayrak T Bağlantı Açısı Ayarlı?

Sabit açılı bağlantı elemanlarının yetersiz kaldığı durumlarda, bu ayarlı T bağlantısı maksimum esneklik ve hassasiyet sağlar. Farklı açılarda bağlama gerektiren mühendislik uygulamalarında daha hızlı, daha stabil ve daha profesyonel çözümler üretir.

Stok Kod Malzeme A B C D E F G d KG
766.013.145 Çinko Kaplama Saç ZN 110 110 70 40 2 51 20,5 9 0,140 25