|
766 – Bayrak Köşe Bağlantı (75x75), sigma alüminyum profil sistemlerinde 90° bağlantılar oluşturmak için kullanılan yüksek dayanımlı bir bağlantı elemanıdır. 75x75 mm ölçülerindeki geniş yüzey alanı sayesinde güçlü ve rijit köşe bağlantıları sağlar. Makine iskeletleri, otomasyon sistemleri ve konveyör hatlarında yapısal sağlamlığı artırmak için ideal bir çözümdür. Öne Çıkan Özellikler
Kullanım Alanları
Neden 766 – Bayrak Köşe Bağlantı? Bu bağlantı elemanı, geniş yüzeyli köşe tasarımıyla diğer standart köşe bağlantılara göre daha yüksek dayanım sunar. Özellikle büyük yapılar, ağır yük uygulamaları ve yüksek stabilite gerektiren konstrüksiyonlarda güvenilir, uzun ömürlü ve estetik bir çözüm sağlar. |
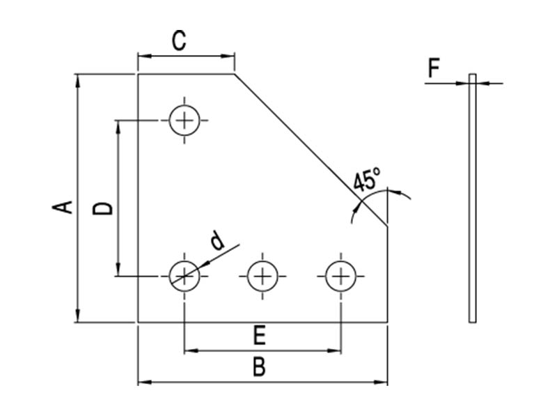
| Stok Kod | Malzeme | A | B | C | D | E | F | d | KG | ![]() |
|---|---|---|---|---|---|---|---|---|---|---|
| 766.013.070 | Çinko Kaplama Saç | 75 | 75 | 29 | 47 | 47 | 2 | 9 | 0,065 | 25 |


