BAYRAK KÖŞE BAĞLANTI (110x110)

766 – Bayrak Köşe Bağlantı (110x110), büyük ölçekli sigma alüminyum profil konstrüksiyonlarında yüksek dayanım ve maksimum stabilite sağlamak için tasarlanmış ağır tip bağlantı elemanıdır. 110x110 mm geniş yüzey ölçüsü sayesinde yüksek yük altında bile rijitliği artırır ve titreşim kaynaklı gevşemeleri önler. Endüstriyel yapılarda en çok tercih edilen köşe bağlantı modellerinden biridir.

Öne Çıkan Özellikler

  • 110x110 mm Geniş Bağlantı Yüzeyi: Büyük konstrüksiyonlarda ekstra mukavemet ve denge sağlar.
  • Ağır Tip Gövde Yapısı: Döküm metal veya çelik malzeme sayesinde yüksek yük taşıma kapasitesi.
  • Üstün Stabilite: Zorlu çalışma koşullarında uzun süreli güvenilir bağlantı.
  • Sigma Profillerle Tam Uyum: 45’lik, 50’lik, 60’lık ve ağır tip seri profillerle kullanıma uygundur.
  • Kolay ve Sağlam Montaj: Cıvata, somun ve bağlantı setleri ile hızlı, sağlam kurulum.
  • Endüstriyel Estetik: Eloksallı profiller ile uyumlu, temiz ve profesyonel görünüm.

Kullanım Alanları

  • Büyük ölçekli makine çerçeveleri
  • Endüstriyel konveyör sistemleri
  • Otomasyon hatları ve üretim hücreleri
  • Güçlendirilmiş profil iskelet sistemleri
  • Koruyucu kafes, kabin ve platform konstrüksiyonları
  • Ağır yük taşıyan raf sistemleri

Neden 766 – Bayrak Köşe Bağlantı (110x110)?

Bu model, standart köşe bağlantılarına göre çok daha geniş temas yüzeyi sayesinde yüksek dayanım gerektiren yapılarda ideal çözümdür. Stabilite, sağlamlık ve uzun ömürlü kullanım isteyen endüstriyel uygulamalarda maksimum güvenlik sağlar.

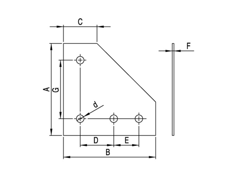
Stok Kod Malzeme A B C D E F G d KG BAYRAK KÖŞE BAĞLANTI (110x110)
766 013 111 Çinko Kaplama Saç 110 110 40 40 30 2 70 M9 0,145 25