BAYRAK BAĞLANTI (110x110)
766 – Bayrak Bağlantı (110x110), büyük ve yüksek dayanım gerektiren sigma alüminyum profil konstrüksiyonlarında kullanılan ağır tip köşe bağlantı elemanıdır. 110x110 mm geniş yüzey ölçüleri sayesinde güçlü, rijit ve uzun ömürlü bağlantılar oluşturur. Endüstriyel yapılarda maksimum stabilite sağlamak için özel olarak tasarlanmıştır.
Öne Çıkan Özellikler
- 110x110 mm Geniş Köşe Tasarımı: Büyük temas yüzeyi ile yüksek mukavemet ve sağlamlık sağlar.
- Ağır Tip Gövde Yapısı: Çelik veya döküm malzemeden üretildiği için yüksek yük taşıma kapasitesine sahiptir.
- Titreşime Karşı Dayanıklı: Yoğun titreşimli makine ve konveyör hatlarında dahi gevşeme yapmaz.
- Sigma Profil Uyumluluğu: 45’lik, 50’lik, 60’lık ve ağır tip profil serileri ile tam uyumludur.
- Hızlı ve Güvenli Montaj: Cıvata-somun setleri ile kolay kurulum imkânı sağlar.
- Endüstriyel Estetik: Eloksallı alüminyum profil yüzeyleri ile uyumlu, temiz ve güçlü bir görünüm.
Kullanım Alanları
- Ağır yük taşıyan makine iskeletleri
- Endüstriyel konveyör sistemleri
- Otomasyon üretim hatları
- Koruma kafesleri ve kabin yapıları
- Platform, stand ve ekipman taşıyıcı konstrüksiyonlar
- Dayanım gerektiren özel profil sistemleri
Neden 766 – Bayrak Bağlantı (110x110)?
Geniş bağlantı yüzeyi ve ağır tip gövde yapısı sayesinde, standart köşe bağlantılarına göre çok daha yüksek stabilite sunar. Büyük ölçekli endüstriyel projelerde güvenilir, rijit ve uzun ömürlü bağlantılar için ideal bir çözümdür.
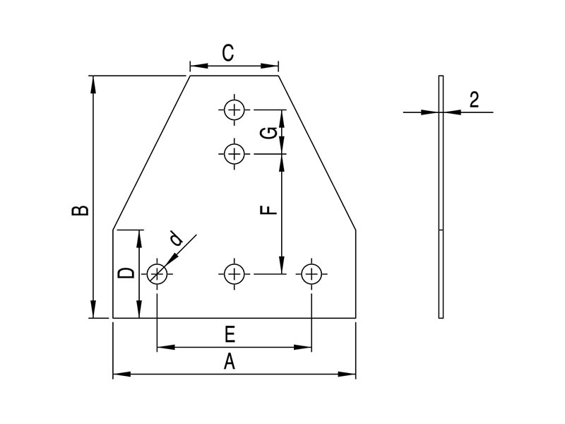
| Stok Kod | Malzeme | A | B | C | D | E | F | G | d | KG | ![]() |
|---|---|---|---|---|---|---|---|---|---|---|---|
| 766.013.112 | Çinko Kaplama Saç ZN | 110 | 110 | 40 | 40 | 61 | 59 | 30 | M9 | 0,15 | 25 |


