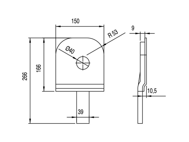
25x150 ALÜMİNYUM TAHRİK PLAKASI
766 – 25x150 Alüminyum Tahrik Plakası, konveyör sistemlerinde motor, redüktör veya tahrik tamburu gibi güç aktarım bileşenlerinin sigma profillere güvenli bir şekilde monte edilmesi için tasarlanmış sağlam bir bağlantı elemanıdır. 25x150 mm ölçülerindeki geniş yüzey alanı, tahrik mekanizmasının titreşimsiz ve stabil çalışmasına katkı sağlar. Eloksallı alüminyum malzeme; hafif, dayanıklı ve korozyona karşı dirençlidir.
Öne Çıkan Özellikler
- 25x150 mm Geniş Tahrik Plakası: Büyük tahrik sistemleri için güçlü destek sağlar.
- Hafif ve Dayanıklı Alüminyum Malzeme: Korozyona dayanıklı yapısı ile uzun ömürlü kullanım sunar.
- Tahrik Grubu Montajı İçin İdeal Tasarım: Motor, tambur ve redüktörlerin doğru pozisyonlandırılmasını sağlar.
- Titreşim Azaltıcı Yapı: Güç aktarım süreçlerinde oluşan salınımları minimuma indirir.
- Sigma Profillerle Tam Uyum: 40’lık, 45’lik ve 50’lik seri profillerle kolay entegrasyon.
- Hızlı ve Güvenli Montaj: Standart bağlantı elemanları ile pratik kuruluma uygun.
Kullanım Alanları
- Konveyör tahrik mekanizmaları
- Motor ve redüktör taşıyıcı bağlantı plakaları
- Tambur tahrik montaj sistemleri
- Otomasyon ve üretim hatları
- Profil tabanlı makine konstrüksiyonları
- Güç aktarım destek modülleri
Neden 766 – 25x150 Alüminyum Tahrik Plakası?
Geniş plakası ve dayanıklı alüminyum yapısı sayesinde tahrik sistemlerinin stabil ve güvenilir çalışmasını sağlar. Hem hafifliği hem de sağlamlığı bir arada sunarak konveyör ve otomasyon hatlarında verimliliği artırır.
| Stok Kod | Malzeme | Kg | ![]() |
|---|---|---|---|
| 766.018.004 | AL | 2,060 | 5 Set |


