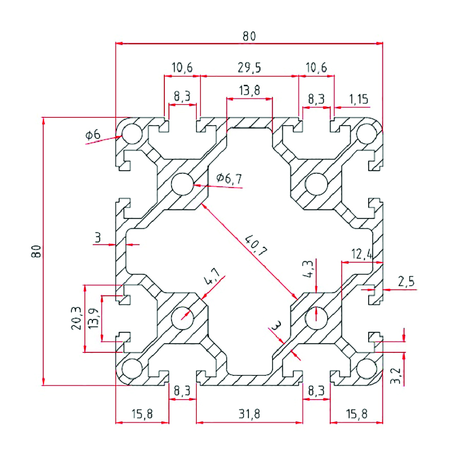
80 x 80 ELOKSALLI ALÜMİNYUM PROFİL
765 - 80 x 80 Eloksallı Alüminyum Profil, ağır yük taşıyan endüstriyel konstrüksiyonlarda maksimum rijitlik, yüksek mukavemet ve uzun ömür sunan güçlü bir yapısal profil çözümüdür. Geniş ve simetrik kesit yapısı sayesinde büyük makine gövdeleri, konveyör sistemleri ve endüstriyel çerçeveler için ideal bir taşıyıcı elemandır.
Öne Çıkan Teknik Özellikler
- 80 x 80 Geniş Kesit: Yüksek rijitlik ve ağır yükler altında minimum deformasyon.
- Eloksallı Yüzey Kaplama: Korozyon direnci yüksek, temiz ve profesyonel bir dış yüzey.
- Modüler Yapı: T kanallı sistemi sayesinde tüm standart bağlantı ekipmanlarıyla uyumlu.
- Ağır Hizmet Performansı: Zorlu üretim hatlarında dahi güvenli kullanım sağlar.
- Hafiflik ve Dayanım Dengesi: Alüminyumun hafif yapısı sayesinde montaj kolaylığı, taşımada avantaj.
Kullanım Alanları
- Ağır yük konveyör şaseleri
- Makine ve otomasyon iskeletleri
- Endüstriyel kabinler, koruma çitleri
- Üretim hattı çalışma istasyonları
- Depo ve taşıma sistemleri
- Büyük ölçekli çerçeve ve konstrüksiyon yapıları
Neden 80x80 Alüminyum Profil?
80x80 kesit, geniş yüzey alanı ve yüksek dayanım kapasitesi sayesinde ağır tip endüstriyel uygulamalar için mükemmel bir denge sunar. Eloksallı yüzeyi sayesinde uzun süre estetik ve sağlam kalır, modüler yapısı ise projelerde hızlı ve esnek montaj olanağı sağlar.
| Stok Kod | Malzeme | A | B | Kesit Çevresi (mm) | Alan (mm2) | Kg/m | L (m) |
|---|---|---|---|---|---|---|---|
| 765 080 080 | AL | 80 | 80 | 1127 | 1893,69 | 5,388 | 5 |
