|
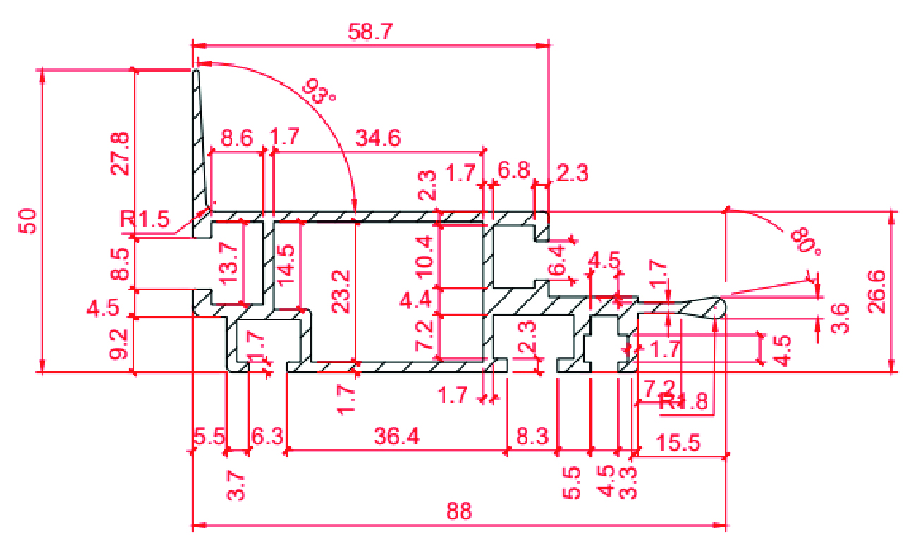
765 - 50x88 Konveyör Yan Şase Alüminyum Profil | Eloksallı Taşıyıcı Şase Profili 765 - 50 x 88 Konveyör Yan Şase Alüminyum Profil, konveyör sistemlerinde yüksek dayanım ve stabilite sağlayan özel bir taşıyıcı şase profilidir. Eloksal kaplaması sayesinde korozyona karşı üstün direnç sunar, uzun süreli kullanımlarda formunu korur ve estetik bir yüzey görünümü sağlar. 50x88 ölçü yapısı, hem hafiflik hem de mukavemet gerektiren konveyör uygulamaları için ideal bir çözüm sunar. Modüler konveyör hatlarında, bantlı konveyörlerde ve rulolu taşıma sistemlerinde yaygın olarak tercih edilir. Öne Çıkan Teknik Özellikler
Kullanım Alanları
|
| Stok Kod | Malzeme | Kesit Çevresi (mm) | Atalet Momenti | Mukavemet Momenti | Alan mm2 |
Kg/m | L (m) |
|---|---|---|---|---|---|---|---|
| 765 050 088 | AL | 410 | *Ix=5,988 cm4 / Iy=35,252 cm4 | **Wx=0,419 cm3 / Wy=1,09 cm3 | 532,35 | 1,514 | 6 |

