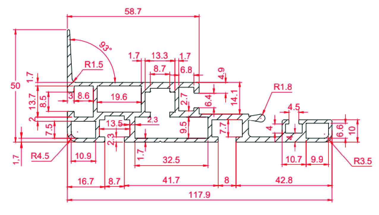
50 x 118 KONVEYÖR YAN ŞASE ALÜMİNYUM PROFİL (ELOKSALLI)
765 - 50x118 Konveyör Yan Şase Alüminyum Profil | Eloksallı Taşıyıcı Şase Profili
765 - 50 x 118 Konveyör Yan Şase Alüminyum Profil, konveyör sistemlerinde yüksek rijitlik ve taşıma kapasitesi gerektiren uygulamalar için geliştirilmiş dayanıklı bir yan şase profilidir. 50x118 mm ölçüsü sayesinde geniş yüzeyli ve güçlü bir taşıyıcı yapı sunar.
Eloksal kaplaması, profilin korozyona karşı dayanıklılığını artırarak uzun ömürlü bir kullanım sağlar ve yüzeyin çizilme direncini yükseltir. Modüler konveyör hatlarında, otomasyon sistemlerinde ve ağır hizmet uygulamalarında güvenle tercih edilir.
Teknik Özellikler
- Profil Ölçüsü: 50 x 118 mm
- Malzeme: Yüksek kalitede alüminyum
- Yüzey Kaplama: Eloksallı (aşınma ve korozyon direnci yüksek)
- Yapısal Özellik: Geniş yüzeyli, yüksek taşıma kapasitesi
- Montaj: Modüler sistemlerle uyumlu, kolay işlenebilir
Avantajları
- Yüksek rijitlik ve mukavemet
- Hafif ama dayanıklı gövde yapısı
- Uzun ömürlü eloksal yüzey
- Endüstriyel uygulamalarda yüksek stabilite
- Titreşim ve yük altında formunu koruyan güçlü yapı
Kullanım Alanları
- Konveyör yan şase gövdeleri
- Bantlı konveyör hatları
- Rulolu taşıma sistemleri
- Ağır yük konveyörleri
- Üretim & otomasyon hatları
- Makine taşıyıcı iskeletleri
| Stok Kod | Malzeme | Kesit Çevresi (mm) | Atalet Momenti | Mukavemet Momenti | Alan mm2 |
Kg/m | L (m) |
|---|---|---|---|---|---|---|---|
| 765.050.118 | AL | 501 | *Ix=8,238 cm3 Iy=94,324 cm3 |
**Wx=0,678 cm3 Wy=0,678 cm3 |
|||
| 784,04 | 2,231 | 6 |

