40x80 ELOKSALLI SİGMA ALÜMİNYUM PROFİL
Yüksek dayanım gerektiren endüstriyel konstrüksiyonlar için güçlü ve çok yönlü profil çözümü.
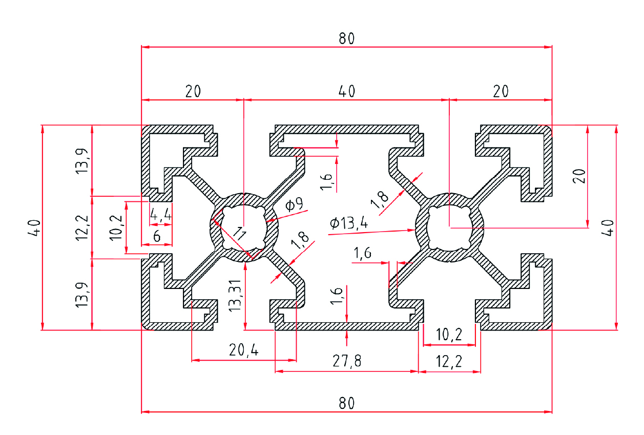
765 - 40x80 Eloksallı Sigma Alüminyum Profil, ağır yük taşıma kapasitesi sunan ve geniş yüzey ölçüsü sayesinde yüksek stabilite sağlayan endüstriyel bir profil modelidir. Eloksallı yüzeyi çizilmelere, aşınmaya ve korozyona karşı üstün koruma sağlar. 40x80 ölçüsü, özellikle makine iskeletlerinde, konveyör sistemlerinde ve ağır tip çerçevelerde yaygın olarak kullanılır.
Modüler sigma kanal yapısı sayesinde hızlı montaj imkânı sağlar ve çok sayıda aksesuar ile uyumlu çalışır.
40x80 ELOKSALLI SİGMA ALÜMİNYUM PROFİL Teknik Özellikleri
- Profil Ölçüsü: 40 mm x 80 mm
- Seri: Sigma Profil
- Malzeme: 6063-T5 alüminyum
- Yüzey Kaplama: Eloksallı (Anodize)
- Kanal Genişliği: 8 mm
- Et Kalınlığı: Yüksek dayanımlı gövde
- Kullanım Tipi: Orta – ağır yük uygulamaları
Avantajları
- Geniş kesit yapısı ile yüksek mukavemet ve stabilite
- Eloksal kaplama ile korozyon direnci ve uzun ömür
- Sigma kanal sistemi ile modüler montaj kolaylığı
- Ağır yük taşıyan sistemlerde güvenilir performans
- Endüstriyel bağlantı elemanları ile uyumlu yapı
- Profesyonel konstrüksiyon projeleri için ideal ölçü
Kullanım Alanları
- Makine iskeletleri ve çerçeveleri
- Konveyör sistemleri ve taşıyıcı hatlar
- Güvenlik kabinleri ve koruyucu muhafazalar
- Robotik sistem iskeletleri
- Çalışma tezgâhları ve endüstriyel üretim hatları
- Endüstriyel raf sistemleri
- Ağır yük taşıyıcı konstrüksiyonlar
Neden 40x80 Eloksallı Sigma Profil?
40x80 kesiti, yüksek yük kapasitesi ve dayanıklı yapısıyla büyük ölçekli projelerde maksimum performans sunar. Eloksallı yüzey sayesinde hem estetik hem de uzun ömürlü bir kullanım sağlar. Endüstriyel montaj aksesuarlarıyla uyumu sayesinde projelerde hızlı, modüler ve güvenilir çözümler elde edilir.
| Stok Kod |
Malzeme |
Kesit Ölçüleri (mm) | Kesit Çevresi (mm) | Alan (mm2) | Kg/m | Kg/m |
|---|---|---|---|---|---|---|
| 765.040.080 | AL | 40x80 | 494 | 778 | 2,214 | 6 |

