25 x 25 ELOKSALLI SİGMA ALÜMİNYUM PROFİL (EKONOMİK SERİ)
Uygun fiyatlı, dayanıklı ve modüler konstrüksiyon çözümleri için ideal profil modeli.
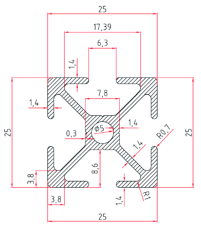
765 - 25x25 Eloksallı Sigma Alüminyum Profil – Ekonomik Seri, hafif ve orta yüklerde kullanılabilen, maliyet avantajı sağlayan bir profil grubudur. Eloksallı yüzeyi sayesinde çizilmelere, darbelere ve korozyona karşı yüksek koruma sağlar. Modüler yapısı ile pek çok bağlantı elemanıyla uyumludur ve endüstriyel uygulamalarda geniş kullanım alanı sunar.
Endüstriyel otomasyon, küçük makine iskeletleri, iş istasyonları ve çeşitli montaj uygulamaları için en ekonomik ve kullanışlı seçeneklerden biridir.
Teknik Özellikler
- Profil Ölçüsü: 25 mm x 25 mm
- Seri: Ekonomik Sigma Profil
- Malzeme: 6063-T5 alüminyum
- Yüzey Kaplama: Eloksallı (Anodize)
- Kanal Genişliği: 6 mm
- Ağırlık: Proje uzunluğuna göre değişiklik gösterir
- Kullanım Tipi: Hafif ve orta yük uygulamaları
Avantajları
- Ekonomik seri ile bütçe dostu çözüm
- Hafif yapısına rağmen yüksek dayanım
- Eloksal kaplama sayesinde korozyon direnci
- Kolay montaj sağlayan modüler sigma yapısı
- Çok sayıda bağlantı ve aksesuar ile uyumluluk
- Estetik ve uzun ömürlü yüzey kalitesi
Kullanım Alanları
- Makine çerçeveleri
- Koruyucu kabin ve muhafazalar
- Çalışma tezgâhları
- Üretim hattı ekipmanları
- Endüstriyel raf ve stant sistemleri
- Otomasyon ve robotik uygulamalar
- Ar-Ge ve prototip projeleri
Neden Ekonomik Seri 25x25 Sigma Profil?
Bu profil, düşük maliyet – yüksek performans dengesini sunarak hem endüstriyel hem de küçük ölçekli projelerde en çok tercih edilen ölçülerden biridir. Estetik görünüm, hafiflik, dayanım ve modüler kullanım özelliklerini bir arada sunar.
| Stok Kod | Malzeme | A | B | Kesit Çevresi (mm) | Atalet Momenti | Mukavemet Momenti | Alan (mm2) | Kg/m | L (m) |
|---|---|---|---|---|---|---|---|---|---|
| 765 025 027 | AL | 25 | 25 | 221 |
*Ix=0,68 cm4 Iy=0,68 cm4 |
**Wx=1,344 cm3 Wy=1,344 cm3 |
202,2 | 0,575 | 6 |

