25 x 115 KONVEYÖR YAN ŞASE ALÜMİNYUM PROFİL (ELOKSALLI)
Konveyör sistemlerinde yüksek dayanım ve uzun ömür sunan eloksallı alüminyum yan şase profili.
765 - 25 x 115 Konveyör Yan Şase Alüminyum Profil, konveyör bantlarının yan taşıyıcı gövdesini oluşturmak amacıyla tasarlanmış dayanıklı bir konstrüksiyon profilidir.
25 mm x 115 mm ölçüleri, orta ve ağır tip konveyörlerde ideal rijitlik sağlar.
Eloksallı yüzey, profilin korozyona karşı dayanımını artırırken çizilmelere karşı koruma sunar. Endüstriyel ortamlarda uzun süreli kullanım için en ideal yan şase profil seçeneklerinden biridir.
Öne Çıkan Özellikler
- 25 x 115 mm özel konveyör yan şase ölçüsü
- Eloksallı (anodize) yüzey kaplama
- Yüksek mukavemetli alüminyum alaşım
- Profil içi kanal yapısı sayesinde hızlı montaj
- Hafif, paslanmaz ve uzun ömürlü tasarım
- Titreşimi azaltan konstrüksiyon yapısı
- Modüler konveyör sistemleri ile uyumlu
Kullanım Alanları
- Yan şase konveyör profilleri
- Modüler bant ve PVC bant konveyörler
- Otomasyon ve üretim hatları
- Paketleme ve lojistik hatları
- Taşıyıcı iskelet ve makine gövdeleri
- Endüstriyel sistem konstrüksiyonları
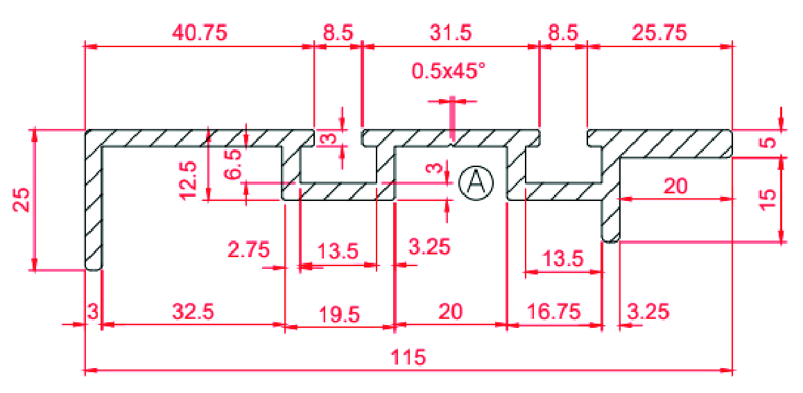
Teknik Bilgiler
- Ürün Kodu: 765
- Profil Ölçüsü: 25 mm x 115 mm
- Malzeme: Alüminyum alaşım
- Yüzey: Eloksallı (Anodize)
- Kullanım: Konveyör yan şase taşıyıcı profil
25 x 115 eloksallı yan şase alüminyum profil; dayanıklı yapısı, hafifliği ve yüksek korozyon direnciyle konveyör sistemleri için ideal taşıyıcı çözümdür.
765 - 25 x 115 eloksallı alüminyum konveyör yan şase profili; yüksek dayanım, hafiflik ve uzun ömür sunan taşıyıcı yapı profili. Konveyör ve otomasyon sistemlerine özel tasarlanmıştır.
| Stok Kod | Malzeme | Kesit Çevresi (mm) | Atalet Momenti | Mukavemet Momenti | Alan mm2 |
Kg/m | L (m) |
|---|---|---|---|---|---|---|---|
| 765 025 115 | AL | 383 | *Ix=1,909 cm4 / Iy=78,568 cm4 | **Wx=0,1 cm3 / Wy=1,27 cm3 | 626,55 | 1,783 | 6 |

