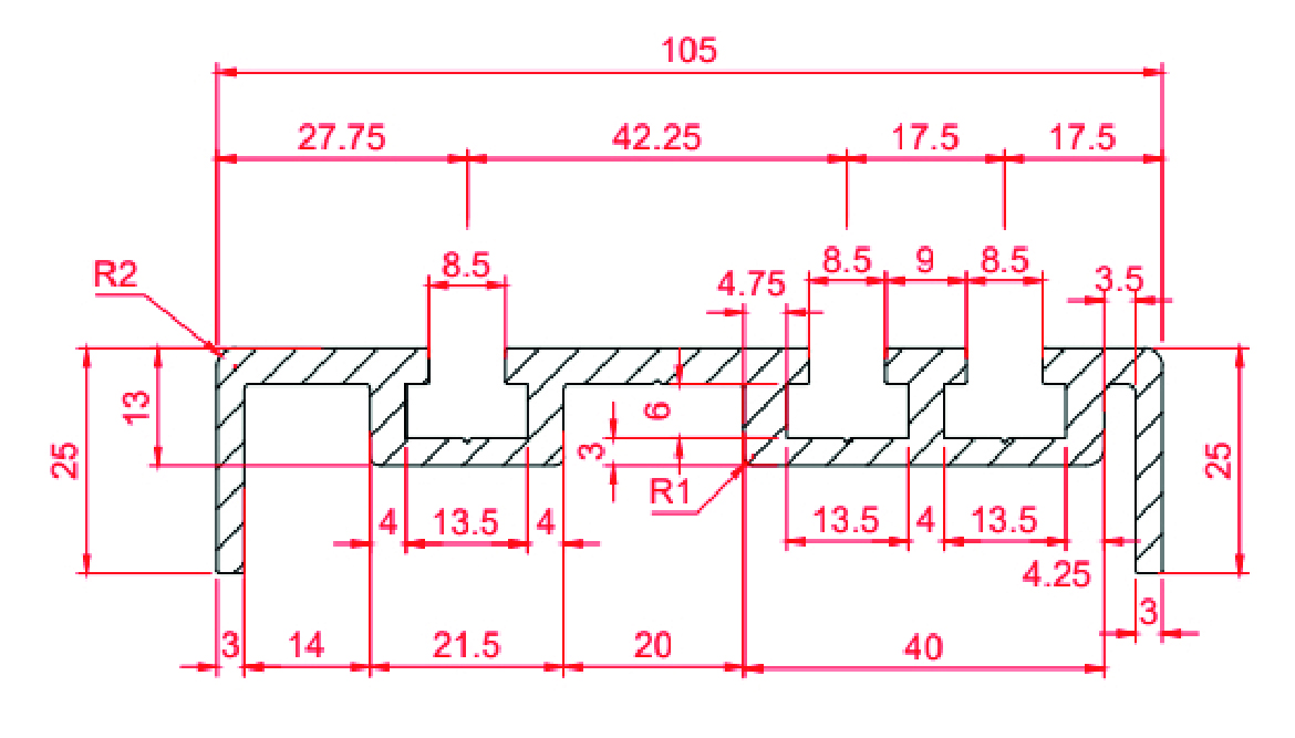
25 x 105 KONVEYÖR YAN ŞASE ALÜMİNYUM PROFİL (ELOKSALLI)
Konveyör sistemleri için geliştirilmiş, dayanıklı ve hafif yapısıyla uzun ömür sunan eloksallı alüminyum yan şase profili.
765 - 25 x 105 Konveyör Yan Şase Alüminyum Profil, endüstriyel konveyör bant sistemlerinde yan gövde/yan çerçeve olarak kullanılan özel bir profildir.
25 mm x 105 mm ölçülerindeki kompakt ve güçlü tasarım, konveyörün yapısal stabilitesini artırırken, eloksallı yüzey sayesinde korozyona ve çizilmeye karşı yüksek dayanım sağlar.
Hafif alüminyum gövdesi, kolay taşınabilirlik ve pratik montaj imkânı sunar. Modüler konveyör çözümlerinde tercih edilen ideal bir yan şase profilidir.
Öne Çıkan Özellikler
- 25 x 105 mm konveyör yan şase ölçüsü
- Eloksal kaplama (Anodize yüzey) – Uzun ömürlü korozyon direnci
- Profil içi kanal yapısı sayesinde hızlı montaj
- Hafif ve mukavemetli alüminyum alaşım
- Endüstriyel ortamlara uygunluk
- Titreşim azaltma ve yapısal dayanım
- Modüler konveyör sistemleri ile tam uyum
Kullanım Alanları
- Yan şase taşıyıcı konveyör profilleri
- Modüler bant konveyörleri
- Otomasyon hatları
- Lojistik ve paketleme sistemleri
- Üretim ve taşıma hatları
- Endüstriyel makine konstrüksiyonları
Teknik Bilgiler
- Ürün Kodu: 765
- Profil Ölçüsü: 25 mm x 105 mm
- Malzeme: Alüminyum alaşım
- Yüzey: Eloksallı (Anodize)
- Kullanım: Konveyör yan şase profili
25 x 105 eloksallı alüminyum konveyör yan şase profili; hafif, dayanıklı ve uzun ömürlü yapısıyla tüm endüstriyel konveyör sistemlerine uygun güçlü bir taşıyıcı profildir.
765 - 25 x 105 eloksallı konveyör yan şase alüminyum profili; yüksek dayanım, hafiflik ve uzun ömür sunan taşıyıcı yapı profili. Konveyör ve otomasyon hatları için ideal çözümdür.
| Stok Kod | Malzeme | Kesit Çevresi (mm) | Atalet Momenti | Mukavemet Momenti | Alan mm2 |
Kg/m | L (m) |
|---|---|---|---|---|---|---|---|
| 765 025 105 | AL | 428 | *Ix=2,42 cm4 / Iy=87,133 cm4 | **Wx=0,133 cm3 / Wy=1,6 cm3 | 750,61 | 2,136 | 6 |

