23 x 129 KONVEYÖR YAN ŞASE ALÜMİNYUM PROFİL (ELOKSALLI)

Konveyör sistemlerinde yüksek dayanım, hafiflik ve uzun ömür sunan eloksallı yan şase profili.

Ürün Açıklaması

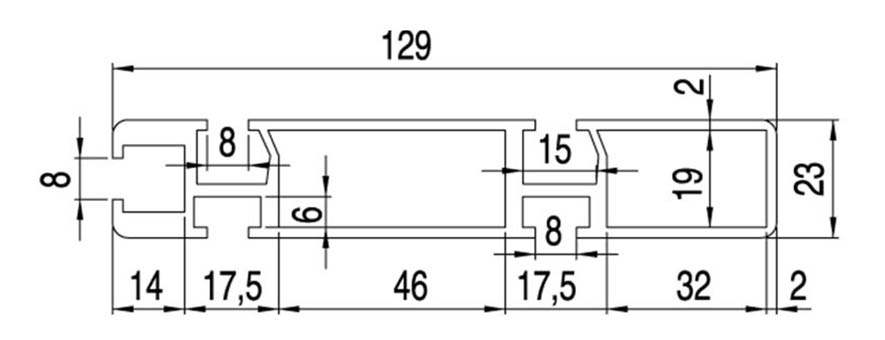
765 - 23 x 129 Konveyör Yan Şase Alüminyum Profil, konveyör bant sistemlerinin yan taşıyıcı gövdesini oluşturmak için tasarlanmış özel bir konstrüksiyon profilidir.
23 mm x 129 mm ölçülerindeki yapısı, konveyörün yük taşıma kapasitesini artırırken, sistemi hafif ve modüler hale getirir.

Eloksal kaplama, profil yüzeyini korozyona karşı ekstra dayanıklı hale getirir, çizilmelere karşı korur ve ürünün daha estetik görünmesini sağlar. Endüstriyel ortamlarda uzun süre kesintisiz kullanım için idealdir.

Öne Çıkan Özellikler

  • 23 x 129 mm özel konveyör yan şase ölçüsü
  • Eloksallı yüzey – Yüksek korozyon direnci ve çizilme dayanımı
  • Hafif ve dayanıklı alüminyum gövde
  • Modüler konveyör sistemlerine tam uyum
  • Montaj kolaylığı sunan kanal yapısı
  • Titreşim kontrolü ve yapısal stabilite
  • Gıda, otomotiv, lojistik, paketleme hatları için uygun

Kullanım Alanları

  • Tüm konveyör yan şase uygulamaları
  • Modüler bant sistemleri
  • Endüstriyel taşıma hatları
  • Lojistik ve dağıtım sistemleri
  • Otomasyon ve paketleme makineleri
  • Yük taşıma ve yönlendirme hatları

Teknik Bilgiler

  • Ürün Kodu: 765
  • Profil Ölçüsü: 23 mm x 129 mm
  • Malzeme: Alüminyum alaşım
  • Yüzey: Eloksallı (Anodize)
  • Kullanım: Konveyör yan şase taşıyıcı profili

23 x 129 mm ölçülerindeki eloksallı konveyör yan şase alüminyum profil; yüksek dayanım, hafiflik ve uzun ömür sunarak tüm endüstriyel taşıma hatlarında güvenilir bir çözüm sağlar.

765 - 23 x 129 eloksallı alüminyum konveyör yan şase profili; dayanıklı, hafif ve modüler yapısıyla tüm konveyör sistemlerine uygun taşıyıcı çözümdür.

Stok Kod Malzeme Kesit Çevresi (mm) Atalet Momenti Mukavemet Momenti Alan
mm2
Kg/m L (m)
765 023 129 AL 425 *Ix=22,018 cm4 / Iy=104,556 cm4 **Wx=9,68 cm3 / Wy=19,125 cm3 1340,30 2,295 3