20 x 20 ELOKSALLI SİGMA ALÜMİNYUM PROFİL
Hafif, dayanıklı ve uygun maliyetli konstrüksiyon çözümleri için ideal profil.
765 - 20x20 Eloksallı Sigma Alüminyum Profil, ekonomik seri yapısı sayesinde düşük bütçeli projelerde yüksek performans sunar. Endüstriyel otomasyon, makine iskeletleri, taşıyıcı çerçeveler, koruyucu kafesler ve hafif konstrüksiyon uygulamalarında sıkça tercih edilen bir alüminyum profil modelidir.
Eloksal kaplaması sayesinde çizilme direnci artar, korozyona karşı güçlü koruma sağlar ve uzun yıllar boyunca ilk günkü görünümünü korur.
Öne Çıkan Eloksallı Sigma Alüminyum Profil Teknik Özellikleri
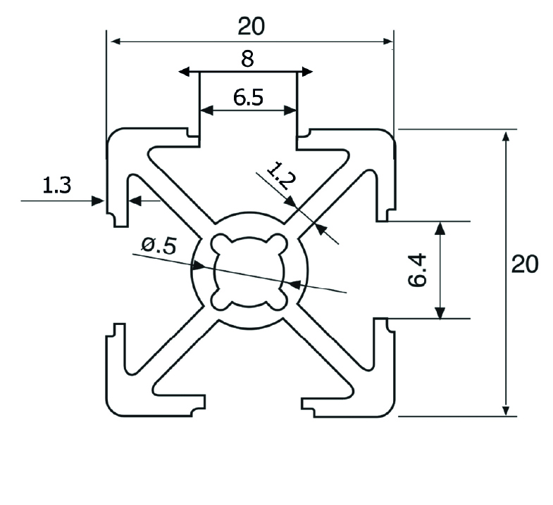
- Profil Ölçüsü: 20 mm x 20 mm
- Malzeme: 6063-T5 alüminyum
- Yüzey: Eloksallı (anodize)
- Seri: Ekonomik Sigma Profil
- Kanal Genişliği: 6 mm
- Kullanım Alanı: Hafif konstrüksiyonlar ve genel montaj uygulamaları
Avantajları
- Uygun maliyetli ekonomik seri
- Hafif ancak yüksek mukavemetli gövde
- Eloksal kaplama ile korozyon direnci yüksek
- Modüler yapısı sayesinde kolay montaj
- Çok sayıda bağlantı elemanı ile esnek kullanım
- CNC, otomasyon ve küçük makine iskeletleri için ideal
Kullanım Alanları
- Makine ve ekipman çerçeveleri
- Çalışma tezgâhları
- Taşıma aparatları
- Platform ve stant yapıları
- Koruyucu kabinler
- Endüstriyel raf sistemleri
- DIY ve proje uygulamaları
Neden 20x20 Ekonomik Seri Sigma Profil?
Bu profil, hem uygun fiyatlı hem de dayanıklı çözümler sunması nedeniyle küçük ölçekli sistemlerde en çok tercih edilen modellerden biridir. Hafif olması montaj kolaylığı sağlar, eloksal yüzeyi ise uzun ömürlü kullanım sunar.
| Stok Kod | A | B | Kesit Çevresi (mm) | Atalet Momenti | Mukavemet Momenti | Alan (mm2) | Kg/m | L (m) |
|---|---|---|---|---|---|---|---|---|
|
765 020 022 |
20 | 20 | 170 |
*Ix=0,63 cm4 ly=0,63 cm4 |
**Wx=0,63 cm3 Wy=0,63 cm3 |
130 | 0,37 | 6 |

