PLASTİK TABAN VE PASLANMAZ SAPLAMALI MAFSALLI PABUÇ
515 - Plastik Taban ve Paslanmaz Saplamalı Pabuç, konveyör ve endüstriyel makine sistemlerinde seviye ayarı, dengeleme ve hijyenik destek sağlamak amacıyla tasarlanmış dayanıklı bir ayak pabuç çözümüdür. Yüksek dayanımlı plastik tabanı ve paslanmaz çelik saplaması sayesinde korozyona karşı üstün direnç sunar ve uzun ömürlü kullanım sağlar.
Öne Çıkan Özellikler
- Dayanıklı plastik taban ile zemin koruyucu yapı
- Paslanmaz çelik saplama sayesinde yüksek korozyon direnci
- Ayarlanabilir saplama yapısı ile kolay seviye ayarı
- Titreşimi azaltan stabil taban tasarımı
- Hızlı montaj ve pratik kullanım
- Hijyen gerektiren ortamlara uygun tasarım
Kullanım Alanları
- Gıda işleme ve paketleme hatları
- İlaç, kimya ve kozmetik üretim tesisleri
- Konveyör ayak ve şase sistemleri
- Otomasyon ve makine ekipmanları
- Nemli ve hijyen gerektiren çalışma ortamları
Avantajları
Plastik taban ve paslanmaz saplamalı pabuç, zemindeki düzensizlikleri kolayca telafi eder, sistem dengesini artırır ve hijyenin kritik olduğu alanlarda güvenle kullanılabilir. Paslanmaz saplaması sayesinde uzun süreli ve sorunsuz performans sunar.
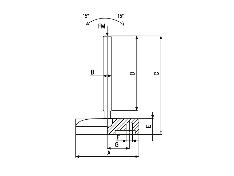
| Stok Kod | A | B | C | D | KG | ![]() |
FM N (Newton) |
|---|---|---|---|---|---|---|---|
| 515 600 080 | 60 | M8 | 82 | 45 | 0.080 | 50 | 12000 |
| 515 601 080 | 60 | M10 | 82 | 45 | 0.090 | 50 | 12000 |
| 515 601 010 | 60 | M10 | 112 | 75 | 0.100 | 50 | 12000 |
| 515 601 280 | 60 | M12 | 82 | 45 | 0.110 | 50 | 12000 |
| 515 601 210 | 60 | M12 | 112 | 75 | 0.120 | 50 | 12000 |
| 515 601 215 | 60 | M12 | 162 | 125 | 0.168 | 50 | 14000 |
| 515 601 408 | 60 | M14 | 82 | 45 | 0.112 | 50 | 14000 |
| 515 601 410 | 60 | M14 | 108 | 75 | 0.137 | 50 | 14000 |
| 515 601 415 | 60 | M14 | 158 | 125 | 0.203 | 50 | 14000 |
| 515 601 610 | 60 | M16 | 108 | 75 | 0.150 | 50 | 15000 |
| 515 601 615 | 60 | M16 | 158 | 125 | 0.215 | 50 | 15000 |
| 515 601 620 | 60 | M16 | 208 | 180 | 0.279 | 50 | 15000 |
| 515 602 010 | 60 | M20 | 108 | 75 | 0.175 | 50 | 16000 |
| 515 602 015 | 60 | M20 | 158 | 125 | 0.250 | 50 | 16000 |
| 515 602 020 | 60 | M20 | 208 | 180 | 0.325 | 40 | 16000 |
| 515 800 880 | 80 | M8 | 80 | 45 | 0.100 | 40 | 16000 |
| 515 801 080 | 80 | M10 | 80 | 45 | 0.100 | 40 | 10000 |
| 515 801 010 | 80 | M10 | 108 | 75 | 0.120 | 40 | 12000 |
| 515 801 280 | 80 | M12 | 82 | 45 | 0.110 | 40 | 12000 |
| 515 801 210 | 80 | M12 | 108 | 75 | 0.135 | 40 | 12000 |
| 515 801 215 | 80 | M12 | 158 | 125 | 0.183 | 40 | 12000 |
| 515 801 408 | 80 | M14 | 81 | 45 | 0.130 | 40 | 12000 |
| 515 801 410 | 80 | M14 | 108 | 75 | 0.152 | 40 | 18000 |
| 515 801 415 | 80 | M14 | 158 | 125 | 0.218 | 40 | 15000 |
| 515 801 610 | 80 | M16 | 108 | 75 | 0.167 | 40 | 18000 |
| 515 801 615 | 80 | M16 | 158 | 125 | 0.230 | 40 | 18000 |
| 515 801 620 | 80 | M16 | 208 | 180 | 0.294 | 40 | 18000 |
| 515 802 010 | 80 | M20 | 108 | 75 | 0.190 | 40 | 10000 |
| 515 802 015 | 80 | M20 | 158 | 125 | 0.265 | 40 | 12000 |
| 515 802 020 | 80 | M20 | 208 | 180 | 0.340 | 40 | 12000 |
| 515 101 610 | 100 | M16 | 108 | 75 | 0.222 | 40 | 18000 |
| 515 101 615 | 100 | M16 | 158 | 125 | 0.285 | 40 | 15000 |
| 515 101 620 | 100 | M16 | 208 | 180 | 0.349 | 40 | 15000 |
| 515 102 010 | 100 | M20 | 108 | 75 | 0.245 | 40 | 19000 |
| 515 102 015 | 100 | M20 | 158 | 125 | 0.320 | 40 | 19000 |
| 515 102 020 | 100 | M20 | 208 | 180 | 0.395 | 40 | 19000 |
| 515 102 415 | 100 | M24 | 158 | 125 | 0.365 | 30 | 20000 |
| 515 102 420 | 100 | M24 | 208 | 180 | 0.455 | 30 | 20000 |


