|
246 rulman yatağı, ağır çalışma koşullarında yüksek yük taşıma kapasitesi sunan, sağlam gövde yapısına sahip bir yataklama ünitesidir. Endüstriyel konveyör sistemleri, zincir tahrik üniteleri ve hareketli makine bileşenlerinde kullanılır. Sağlam döküm gövdesi ve güvenilir rulman yapısı sayesinde uzun ömürlü, düşük bakım gerektiren bir çözümdür. Teknik Özellikler
Kullanım Alanları
Avantajları ✔ Yüksek yük taşıma kapasitesi |
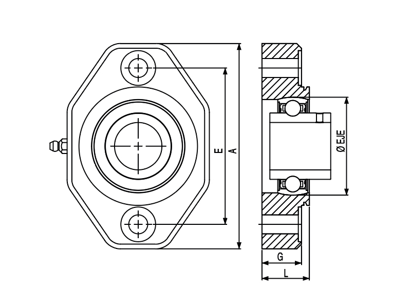
| Malzeme | A | B | D | E | H | G | L | Ø EJE | Kg | ![]() |
Stok Kod Metal Rulmanlı Yatak) |
Kg | ![]() |
Stok Kod (Rulmansız Yatak) | Stok Kod (Paslanmaz Rulmanlı Yatak) |
Yük Kapasitesi | ![]() |
|
|---|---|---|---|---|---|---|---|---|---|---|---|---|---|---|---|---|---|---|
| dyn (N) | st (N) | |||||||||||||||||
| PA | 130 | 90 | 65 | 99 | 45 | 25 | 30 | 60 | 0,495 | + | 245 KFL 206 | 0,150 | - | 246 KFL 206 | 247 KFL 206 | 12000 | 9000 | 20 |



