Kare Profil Kılavuzları

230 - Kare Profil Kılavuzları, konveyör sistemlerinde ve endüstriyel hatlarda ürünlerin düzgün, güvenli ve kontrollü şekilde yönlendirilmesini sağlamak amacıyla tasarlanmıştır. Kare profil yapısına uygun formu sayesinde hat boyunca stabil ve hassas kılavuzlama sunar.

Öne Çıkan Özellikler

  • Dayanıklı ve aşınmaya dirençli malzeme yapısı
  • Kare profil uyumlu kılavuz tasarımı
  • Ürünlerin hat üzerinde düzgün ilerlemesini sağlar
  • Titreşimi ve sürtünmeyi azaltan yüzey yapısı
  • Konveyör sistemleriyle kolay entegrasyon
  • Uzun ömürlü ve bakım gerektirmeyen kullanım

Kullanım Alanları

  • Konveyör taşıma hatları
  • Paketleme ve ayıklama sistemleri
  • Otomasyon ve üretim hatları
  • Ürün yönlendirme ve hizalama uygulamaları
  • Endüstriyel taşıma sistemleri

Avantajları

Kare profil kılavuzları, ürünlerin devrilmeden ve zarar görmeden taşınmasını sağlar, hat verimliliğini artırır ve sistem güvenliğini destekler. Modüler yapısı sayesinde farklı hat ve ürün tiplerine kolayca uyarlanabilir.

Stok Kod

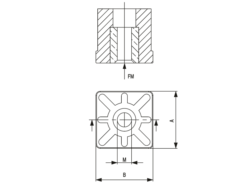
A B M Kalınlık KG KARE PROFİL KILAVUZLARI koli FM N (Newton)
230 250 815 25 25 8 1,5 0.055 100 6000
230 251 015 25 25 10 1,5 0.050 100 6000
230 251 215 25 25 12 1,5 0.045 100 6000
230 300 815 30 30 8 1,5 0.065 100 6000
230 301 015 30 30 10 1,5 0.060 100 6000
230 301 215 30 30 12 1,5 0.055 100 6000
230 301 615 30 30 16 1,5 0.040 100 6000
230 301 020 30 30 10 2 0.060 100 6000
230 301 220 30 30 12 2 0.055 100 6000
230 301 620 30 30 16 2 0.040 100 6000
230 351 015 35 35 10 1,5 0.070 75 6000
230 351 215 35 35 12 1,5 0.060 75 6000
230 351 615 35 35 16 1,5 0.050 75 6000
230 351 020 35 35 10 2 0.070 75 6000
230 351 220 35 35 12 2 0.060 75 6000
230 351 620 35 35 16 2 0.050 75 6000
230 381 016 38 38 10 1,6 0.070 50 6000
230 381 216 38 38 12 1,6 0.065 50 6000
230 381 616 38 38 16 1,6 0.050 50 6000
230 381 030 38 38 10 3 0.070 50 6000
230 381 230 38 38 12 3 0.065 50 6000
230 381 630 38 38 16 3 0.050 50 6000
230 401 015 40 40 10 1,5 0.075 100 6000
230 401 215 40 40 12 1,5 0.065 100 6000
230 401 615 40 40 16 1,5 0.050 100 6000
230 401 020 40 40 10 2 0.075 100 6000
230 401 220 40 40 12 2 0.065 100 6000
230 401 620 40 40 16 2 0.050 100 6000
230 501 215 50 50 12 1,5 0.100 40 10000
230 501 615 50 50 16 1,5 0.080 40 10000
230 502 015 50 50 20 1,5 0.100 40 10000
230 501 220 50 50 12 2 0.100 40 10000
230 501 620 50 50 16 2 0.080 40 10000
230 502 020 50 50 20 2 0.100 40 10000
230 501 225 50 50 12 2,5 0.100 40 10000
230 501 625 50 50 16 2,5 0.080 40 10000
230 502 025 50 50 20 2,5 0.100 40 10000
230 601 620 60 60 16 2 0.110 20 15000
230 602 020 60 60 20 2 0.130 20 15000
Malzeme : Plastik Kısım Polyamid (PA) / İç Kısım Galvaniz Kaplı Kılavuz
Talep ve miktara göre Paslanmaz veya Pirinç olarak üretim yapılabilir