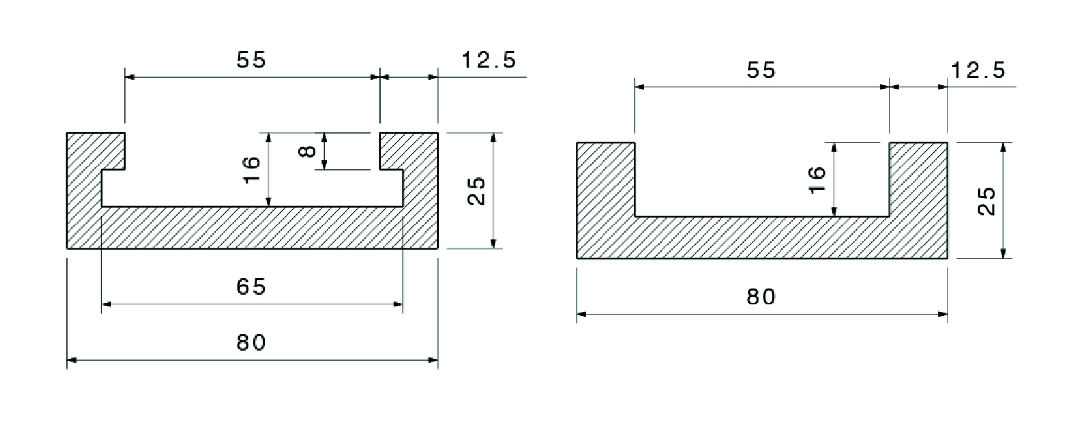
Kardenik Bant Kızakları

220 KRK Kardenik bant kızakları, kardenik (cardanic) konveyör bantların stabil ve düşük sürtünme ile çalışmasını sağlayan özel kızak sistemleridir. Kardenik bantların esnek yapısına uyumlu olarak tasarlanan bu kızaklar, bant hareketini optimize eder, aşınmayı azaltır ve yüksek hat verimliliği sağlar.

Yüksek kayganlık özelliğine sahip özel polimer malzemeden üretilen KRK serisi, sessiz çalışma, uzun ömür ve bakım gerektirmeyen kullanım sunar.

Öne Çıkan Özellikler

  • Kardenik konveyör bantlara tam uyum
  • Düşük sürtünmeli kayma yüzeyi
  • Aşınmaya karşı yüksek dayanım
  • Sessiz ve titreşimsiz çalışma
  • Enerji tüketimini azaltır
  • Paslanma ve korozyon yapmaz
  • Uzun servis ömrü

KRK - Kardenik Bant Kızakları Avantajları

  • Bant ömrünü belirgin şekilde uzatır
  • Sürtünme kaynaklı ısınmayı düşürür
  • Yağlama gerektirmez (dry-running kullanım)
  • Bant hizasını korur
  • Bant yaylanmasını ve yalpalamayı azaltır
  • Yüksek hızlarda stabil performans

Kullanım Alanları

  • Kardenik bantlı konveyörler
  • Gıda işleme tesisleri
  • İçecek üretim hatları
  • Şişeleme/dolum hatları
  • Paketleme sistemleri
  • Lojistik ve dağıtım konveyörleri

Malzeme Özellikleri

  • Yüksek kayganlık
  • Çizilme ve aşınmaya dayanım
  • Kimyasal direnç
  • Darbe sönümleme kabiliyeti
  • Korozyonsuz ve hijyenik çalışma

Montaj ve Uyum

  • Standart kardenik bant profilleriyle uyumlu
  • Mevcut sistemlere kolayca uygulanabilir
  • Farklı bant genişliklerine özel üretim imkânı

Neden KRK Model?

✔ Kardenik bantlar için optimize edilmiş yüzey
✔ Uzun ömür ve düşük bakım
✔ Sessiz çalışma
✔ Enerji tasarrufu
✔ Bant performansını artırır

 

Stok Kod

Malzeme Kullanılabilir Bantlar
220 KRK 870 Alpolen® 1000 - Yeşil 870, 871, 875, 867
220 KRK 876 Alpolen® 1000 - Yeşil 876
Standart Uzunluk (metre)