214 - Fotosel Çapraz Tutucu Mengenesi, konveyör hatlarında ve otomasyon sistemlerinde kullanılan fotosel sensörlerin çapraz konumlandırılmasını sağlayan özel bir montaj ve sabitleme elemanıdır. Sensörün doğru açıda tutulmasına imkân tanıyan bu özel mengene modeli, titreşimli ortamlarda dahi stabil ve güvenilir bir kullanım sunar.
Öne Çıkan Özellikler
- Fotosel ve sensörler için çapraz konumlandırma imkânı
- Sağlam ve yüksek dayanımlı gövde
- Titreşim ve darbelere karşı güçlü tutuş
- Kolay ayarlanabilir yapısı sayesinde hızlı pozisyonlama
- Farklı marka–model fotosellerle geniş uyumluluk
Kullanım Alanları
- Konveyör sistemleri
- Paketleme ve ayrıştırma hatları
- Endüstriyel otomasyon uygulamaları
- Malzeme algılama sistemleri
- Fotosel ve sensör hizalama projeleri
Avantajları
- Sensörün doğru açıyla hizalanmasını sağlar
- Ayarlanabilir yapısı ile esnek kullanım
- Stabil ve uzun ömürlü bağlantı çözümü
- Montajı kolay, bakım gerektirmeyen tasarım
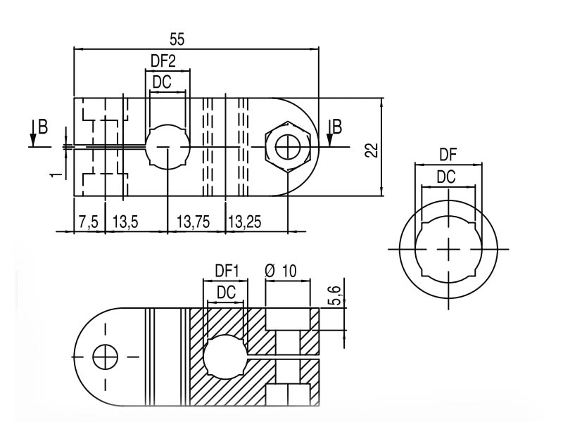
| Stok Kod | Ø DF1 | Ø DC | KG | ![]() |
|---|---|---|---|---|
| 214.151.010 | 10 | 10 | 0.03 | 120 |
| 214.151.012 | 12 | 12 | 0.03 | 120 |
| 214.151.014 | 14 | 14 | 0.03 | 120 |


