Konsol İkili Mengene (Milsiz)
Konsol İkili Mengene (Milsiz) modeli; alüminyum profil sistemlerinde çift noktalı ve güçlü sıkma gerektiren uygulamalar için geliştirilmiş, pratik ve güvenilir bir bağlantı elemanıdır. Milsiz yapısı sayesinde hızlı montaj kolaylığı sunar ve geniş yüzeylerde yüksek stabilite sağlar. Konsol formu, özellikle yatay ve dikey yüklerde güvenli destek sağlar.
Ürün Özellikleri
- İkili mengene yapısı: Çift noktalı sıkma ile daha dengeli ve güçlü tutuş.
- Milsiz mekanizma: Ekstra mil kullanımına gerek olmadan hızlı kurulum ve sökme imkânı.
- Konsol tasarım: Yük aktarımında yüksek stabilite sunar, geniş yüzeylerde güvenli destek sağlar.
- Dayanıklı gövde: Endüstriyel kullanım şartlarına uygun yüksek mukavemetli yapı.
- Profil uyumluluğu: Farklı alüminyum profil kanallarına uyum sağlayacak şekilde üretilmiştir.
Kullanım Alanları
- Alüminyum profil sistemleri
- Montaj hatları ve üretim tesisleri
- Makine ve otomasyon projeleri
- Jig, fikstür ve aparat imalatı
- Konveyör sistem uygulamaları
Avantajları
- Çift sıkma noktası ile güvenli ve dengeli tutuş
- Milsiz yapısı sayesinde hızlı montaj
- Konsol formu ile ekstra dayanım ve stabilite
- Uzun ömürlü, sağlam ve güvenilir
- Çok yönlü kullanım imkânı
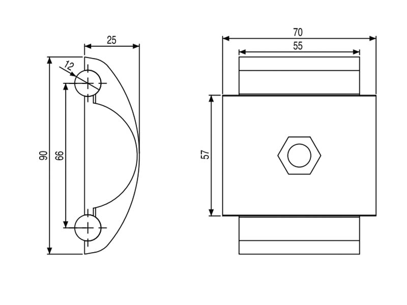
| Stok Kod | DE | Ø | KG | ![]() |
|---|---|---|---|---|
| 210 011 100 | - | Ø12 | 0.080 | 25 |


