Dönüşlü Konsol Başlığı
210 – Dönüşlü Konsol Başlığı, konveyör sistemleri, profil konstrüksiyonları ve mengene aparatlarında yön değişimi, açı ayarı ve hassas pozisyonlama gerektiren uygulamalar için geliştirilmiş ayarlanabilir bir bağlantı bileşenidir. Konsol gövdesine entegre olarak çalışır ve sistemin istenen açıya güvenle ayarlanmasını sağlar.
Öne Çıkan Özellikler
- Ayarlanabilir Açı Mekanizması: Hem küçük hem büyük açılarda konumlandırma imkânı sunar.
- Yüksek Stabilite: Dönüş mekanizmasına rağmen yük altında güvenli çalışma sağlar.
- 210 Serisi ile Tam Uyum: Konsol gövdeleri, tam takımlar ve mengene bileşenleri ile sorunsuz entegrasyon.
- Endüstriyel Dayanım: Darbe, titreşim ve sürekli çalışmaya karşı yüksek dirençli yapı.
- Hassas Ayar Olanağı: Konveyör yönlendirme, aparat pozisyonlama ve profil ayarlamalarında hassas sonuç verir.
Kullanım Alanları
- Konveyör yön değiştirme noktaları
- Profil sistemlerinde açı ayarı
- Mengene ve aparat pozisyonlama uygulamaları
- Otomasyon sistemlerinde hareketli bağlantı noktaları
- Ayarlanabilir taşıyıcı yapı gerektiren tüm endüstriyel çözümler
Teknik Avantajlar
- Çok yönlü açısal hareket
- Yük altında yüksek dayanım ve rijitlik
- Kolay montaj sağlayan uyumlu bağlantı yüzeyleri
- Hassas konumlandırma ile sistem verimliliğini artırır
- Uzun ömürlü ve endüstriyel kalite malzemeden üretilmiştir
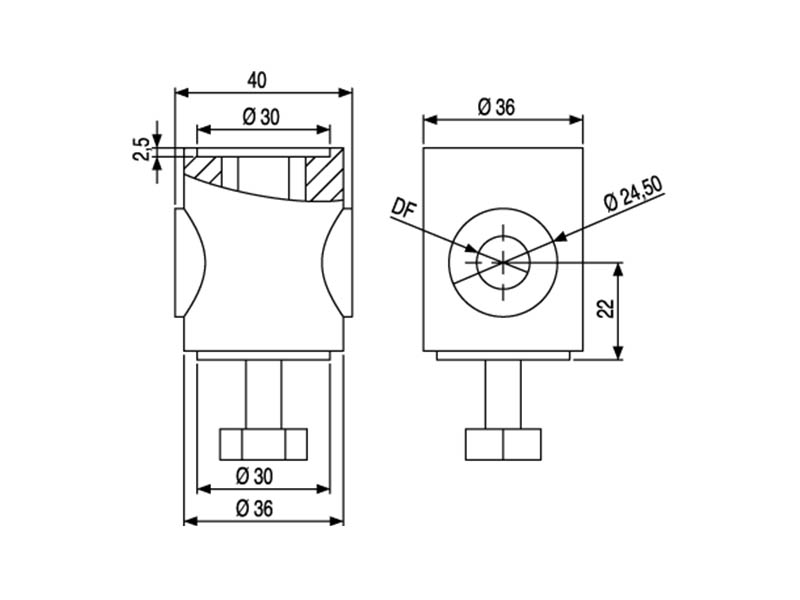
| Stok Kod | DF | Malzeme | KG | ![]() |
|---|---|---|---|---|
| 210 ICB SLU | 12,5 | Dış Bölüm Güçlendirilmiş Polyamid / İç Bölüm Çinko Kaplama Çelik | 0.08 | 100 |
| 210 ICB SLV | 14,5 | Dış Bölüm Güçlendirilmiş Polyamid / İç Bölüm Çinko Kaplama Çelik | 0.08 | 100 |
| 210 ICB SLY | 16,5 | Dış Bölüm Güçlendirilmiş Polyamid / İç Bölüm Çinko Kaplama Çelik | 0.08 | 100 |


