207 YD4 - PVC KENAR DAYAMA PROFİLİ | Konveyör Kenar Kılavuz ve Yönlendirme Profili
|
207 YD4 – PVC Kenar Dayama Profili, konveyör bant kenarlarında yönlendirme ve malzeme taşıma kontrolü sağlamak amacıyla tasarlanmış dayanıklı PVC yapıya sahip bir kenar kılavuz profilidir. Bant kenarlarında sürtünmeyi azaltır, malzeme kaçaklarını önler ve proses güvenliğini artırır. Teknik Özellikler ve Avantajlar
Kullanım Alanları
Performans Faydaları
Özel Üretim Seçenekleri ✔ Farklı ölçüler |
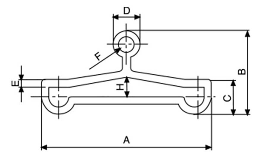
| Profil Bölümü "YD4" | |||||||||
|---|---|---|---|---|---|---|---|---|---|
| Stok Kod | Malzeme | A | B | C | D | E | F | H | L |
| 207 YD4 060 | PVC Mavi | 60 | 29 | 12 | 9 | 2 | 5 | 6,5 | 6 |
| 207 YD4 080 | PVC Mavi | 80 | 29 | 12 | 9 | 2 | 5 | 6,5 | 6 |
| L: Standart Uzunluk (metre) | |||||||||
