ALPOLEN® 1000 V KAYIŞ KIZAĞI (ÇELİK PROFİLLİ)
207 V modeli, konveyör sistemlerinde kullanılan V kayışların hat boyunca düzgün, sessiz ve aşınmasız şekilde ilerlemesini sağlamak amacıyla tasarlanmış, ALPOLEN® 1000 (UHMW-PE) kızak yüzeyi ile çelik taşıyıcı profilin birleştiği yüksek dayanımlı bir kayış kızak çözümüdür.
ALPOLEN® 1000’in düşük sürtünme katsayısı sayesinde V kayış üzerinde minimum enerji kaybı ve düşük ısınma sağlanırken, çelik profilli gövde yapısı sistem rijitliğini artırır ve ağır hizmet koşullarında güvenilir performans sunar.
Teknik Özellikler
- Model: 207 V
- Ürün Tipi: V kayış kızağı
- Kayış Tipi: V kayış
- Kızak Malzemesi: ALPOLEN® 1000 (UHMW-PE)
- Taşıyıcı Profil: Çelik
- Sürtünme Katsayısı: Düşük
- Aşınma Dayanımı: Yüksek
- Montaj: Şase veya profil üzerine montaj
Öne Çıkan Avantajlar
- V kayışlar için optimum destek ve yönlendirme
- ALPOLEN® 1000 sayesinde yüksek aşınma direnci
- Düşük sürtünme ile sessiz ve verimli çalışma
- Çelik profilli yapı ile yüksek mekanik dayanım
- Kayış ömrünü uzatır, bakım ihtiyacını azaltır
- Modüler konveyör sistemleriyle tam uyum
Kullanım Alanları
- V kayışlı konveyör sistemleri
- Güç aktarım ve yönlendirme hatları
- Otomasyon ve üretim tesisleri
- Ambalaj ve paketleme makineleri
- Orta ve ağır hizmet uygulamaları
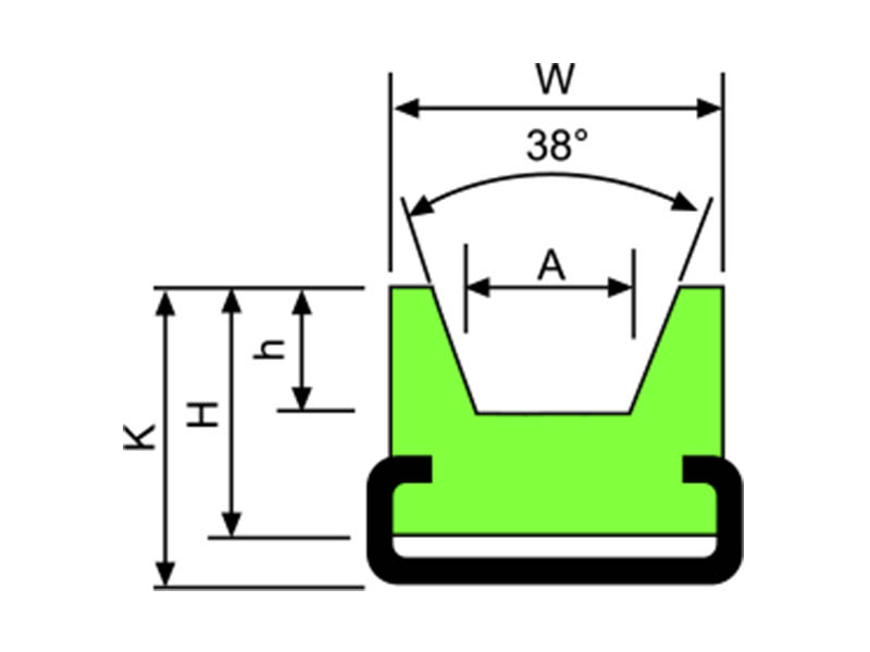
| Profil Bölümü: "C" Standart Uzunluk (metre) | ||||||||||
|---|---|---|---|---|---|---|---|---|---|---|
| Stok Kod | Malzeme | Kılavuz | W | H | h | K | A | L | Kg / m | |
| 207 VCO 004 | Alpolen® 1000 - Yeşil | C 2010 ZN | 20 | 15 | 3 | 17 | 6,5 | 10 | 2 | 0,787 |
| 207 VPO 004 | Alpolen® 1000 - Yeşil | C 2010 SS | 20 | 15 | 3 | 17 | 6,5 | 10 | 2 | 0,787 |
| 207 VCO 005 | Alpolen® 1000 - Yeşil | C 2010 ZN | 20 | 15 | 5 | 17 | 8 | 13 | 2 | 0,782 |
| 207 VPO 005 | Alpolen® 1000 - Yeşil | C 2010 SS | 20 | 15 | 5 | 17 | 8 | 13 | 2 | 0,782 |
| 207 VCO 006 | Alpolen® 1000 - Yeşil | C 2812 ZN | 25 | 20 | 8 | 24 | 10 | 17 | 2 | 1,352 |
| 207 VPO 006 | Alpolen® 1000 - Yeşil | C 2812 SS | 25 | 20 | 8 | 24 | 10 | 17 | 2 | 1,352 |
| 207 VCO 008 | Alpolen® 1000 - Yeşil | C 2812 ZN | 30 | 20 | 8 | 24 | 10,5 | 20 | 2 | 1,439 |
| 207 VPO 008 | Alpolen® 1000 - Yeşil | C 2812 SS | 30 | 20 | 8 | 24 | 10,5 | 20 | 2 | 1,439 |
| 207 VCO 010 | Alpolen® 1000 - Yeşil | C 3818 ZN | 38 | 25 | 11 | 32 | 13,5 | 22 | 2 | 2,265 |
| 207 VPO 010 | Alpolen® 1000 - Yeşil | C 3818 SS | 38 | 25 | 11 | 32 | 13,5 | 22 | 2 | 2,265 |
| 207 VCO 012 | Alpolen® 1000 - Yeşil | C 3818 ZN | 40 | 30 | 13 | 35 | 19 | 30 | 2 | 2,574 |
| 207 VPO 012 | Alpolen® 1000 - Yeşil | C 3818 SS | 40 | 30 | 13 | 35 | 19 | 30 | 2 | 2,574 |

