|
207 UCD zincir kızakları, ALPOLEN® 1000 (UHMW-PE) malzemeden üretilmiş olup UCD formuna sahip özel zincir yönlendirme profilleridir. Düşük sürtünme, yüksek aşınma dayanımı ve sessiz çalışma özellikleri sayesinde konveyör hatlarında uzun süre bakım gerektirmeden çalışır. Teknik Özellikler
Model Avantajları
Kullanım Alanları
Opsiyonel UHMW Çeşitleri
|
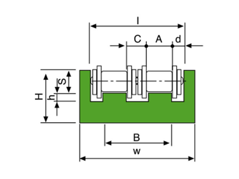
| Profil Bölümü: "UCD" | ||||||||||||||
|---|---|---|---|---|---|---|---|---|---|---|---|---|---|---|
| Stok Kod | Malzeme | Hatve | W | H | I | h | A | S | B | C | d | L | Kg / m | |
| 207 UCD 036 | Alpolen® 1000 - Yeşil | 3/8" | 36 | 15 | 26 | 1,5 | 5,4 | 4,4 | 15,7 | 4,7 | 5 | 2 | 0,390 | |
| 207 UCD 045 | Alpolen® 1000 - Yeşil | 1/2" | 45 | 20 | 35 | 2,2 | 7,4 | 7,2 | 21,4 | 6,4 | 7 | 2 | 0,620 | |
| 207 UCD 050 | Alpolen® 1000 - Yeşil | 5/8" | 50 | 25 | 40 | 2,6 | 9,2 | 9,5 | 25,8 | 7,2 | 7 | 2 | 0,816 | |
| 207 UCD 056 | Alpolen® 1000 - Yeşil | 3/4" | 56 | 25 | 46 | 2,4 | 11,3 | 11,1 | 30,6 | 8 | 7,5 | 2 | 0,810 | |
| 207 UCD 085 | Alpolen® 1000 - Yeşil | 1" | 85 | 30 | 75 | 3,5 | 16,5 | 16,5 | 48 | 15 | 13,3 | 2 | 1,200 | |
| L: Standart Uzunluk (metre) | ||||||||||||||
