|
207 GH2 – ALPOLEN® 1000 GH2 sıralı zincir kızakları, çoklu zincir taşıma uygulamalarında zincirin konveyör hattı üzerinde dengeli, sessiz ve düşük sürtünmeli şekilde ilerlemesini sağlayan GH2 profil tasarımına sahiptir. ALPOLEN® 1000 (UHMW-PE) malzeme yapısı sayesinde üstün aşınma dayanımı ile uzun servis ömrü sunar ve bakım ihtiyacını minimuma indirir. ✔ GH2 sıralı kızak yapısı Kullanım Alanları
Malzeme / Teknik Özellikler
Avantajları
|
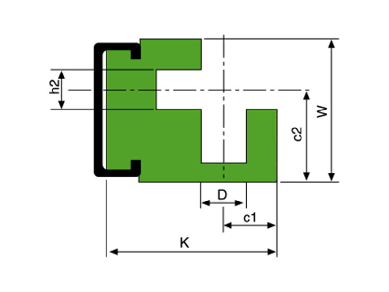
| Stok Kod | Malzeme | Kılavuz | W | K | D | h2 | c1 | c2 | L | Kg / m |
|---|---|---|---|---|---|---|---|---|---|---|
| 207 GH2 C27 | Alpolen® 1000 - Yeşil | C 2010 ZN | 27 | 34 | 7 | 7 | 10,5 | 17,5 | 2 | 1,200 |
| 207 GH2 P27 | Alpolen® 1000 - Yeşil | C 2010 SS | 27 | 34 | 7 | 7 | 10,5 | 17,5 | 2 | 1,200 |
| 207 GH2 C32 | Alpolen® 1000 - Yeşil | C 2812 ZN | 32 | 42 | 9 | 9 | 12,5 | 20,5 | 2 | 2,200 |
| 207 GH2 P32 | Alpolen® 1000 - Yeşil | C 2812 SS | 32 | 42 | 9 | 9 | 12,5 | 20,5 | 2 | 2,200 |
| 207 GH2 C42 | Alpolen® 1000 - Yeşil | C 3818 ZN | 42,5 | 56 | 11 | 11 | 16,5 | 25,5 | 2 | 3,200 |
| 207 GH2 P42 | Alpolen® 1000 - Yeşil | C 3818 SS | 42,5 | 56 | 11 | 11 | 16,5 | 25,5 | 2 | 3,200 |
| 207 GH2 C60 | Alpolen® 1000 - Yeşil | C 6020 ZN | 60 | 70 | 15 | 15 | 20,5 | 33,5 | 2 | 4,100 |
| 207 GH2 P60 | Alpolen® 1000 - Yeşil | C 6020 SS | 60 | 70 | 15 | 15 | 20,5 | 33,5 | 2 | 4,100 |

