CUO - ALPOLEN® 1000 U MODEL ÇELİK PROFİLLİ KIZAKLARI
207 CUO U model zincir kızakları, ALPOLEN® 1000 (UHMW-PE) yüksek molekül ağırlıklı mühendislik plastiği ile çelik alt profilin birleşiminden oluşan, ağır çalışma koşullarına uygun kaydırma profilleridir. U kesit yapısı sayesinde zincirin güvenli şekilde kanal içinde çalışmasını sağlar ve aşınmayı minimuma düşürür.
Ürün Özellikleri
- ALPOLEN® 1000 UHMW-PE malzeme
- Yüksek aşınma dayanımı
- Çok düşük sürtünme katsayısı
- Çelik alt profil ile güçlendirilmiş gövde
- Sessiz çalışma ve yüksek darbe emiş
- Korozyona karşı dayanımlı
- Kuru çalışma (yağ istemez)
Avantajları
- Zincir sürtünmesini minimum seviyeye indirir
- Yük altında formunu korur
- Zincirin doğrusal çalışmasını sağlar
- Enerji tüketimini azaltır
- Bakım süresini düşürür
- Zincir ve kızak ömrünü artırır
Kullanım Alanları
- Konveyör hatları
- Zincirli taşıma sistemleri
- Endüstriyel paketleme hatları
- Otomasyon sistemleri
- Gıda – içecek üretim hatları
- Palet / koli taşıma sistemleri
Neden U Model?
U form yapısı sayesinde:
- zincirin kanal içinde kontrollü ilerlemesi,
- yan kaçmaların önlenmesi,
- daha sessiz ve güvenli çalışma sağlanır.
Özellikle orta ve ağır yük uygulamalarında tercih edilir.
Çelik Profil Seçenekleri
- Galvanizli çelik
- Paslanmaz çelik (inox)
Opsiyonel Malzemeler
- Gıda onaylı beyaz UHMW
- Antistatik UHMW
- Renkli üretim (mavi – yeşil)
- Yüksek sıcaklık dayanımı
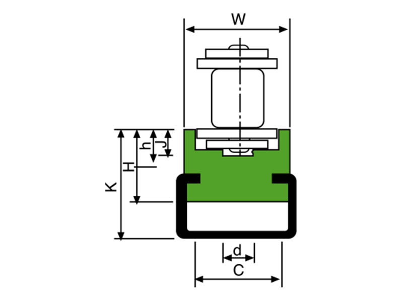
| L: Standart Uzunluk (metre) | ||||||||||||
|---|---|---|---|---|---|---|---|---|---|---|---|---|
| Stok Kodu | ISO | Malzeme | Kılavuz | Hatve | W | H | K | h | J | d | L | Kg / m |
| 207 CUO 038 | 06 B1 | Alpolen® 1000 - Yeşil | C 2010 ZN | 3/8" | 20 | 15 | 15 | 4,2 | 2,8 | 4 | 2 | 0,720 |
| 207 CUO 138 | 06 B1 | Alpolen® 1000 - Yeşil | C 2010 ZS | 3/8" | 20 | 15 | 15 | 4,2 | 2,8 | 4 | 2 | 0,720 |
| 207 CUO 012 | 08 B1 | Alpolen® 1000 - Yeşil | C 2812 ZN | 1/2" | 25 | 15 | 22 | 4,8 | 3,5 | 5 | 2 | 1,140 |
| 207 CUO 112 | 08 B1 | Alpolen® 1000 - Yeşil | C 2812 SS | 1/2" | 25 | 15 | 22 | 4,8 | 3,5 | 5 | 2 | 1,140 |
| 207 CUO 058 | 10 B1 | Alpolen® 1000 - Yeşil | C 2812 ZN | 5/8" | 25 | 15 | 22 | 5,1 | 3,6 | 6 | 2 | 1,30 |
| 207 CUO 158 | 10 B1 | Alpolen® 1000 - Yeşil | C 2812 SS | 5/8" | 25 | 15 | 22 | 5,1 | 3,6 | 6 | 2 | 1,30 |
| 207 CUO 034 | 12 B1 | Alpolen® 1000 - Yeşil | C 3818 ZN | 3/4" | 25 | 20 | 27 | 5,7 | 3,9 | 7 | 2 | 1,270 |
| 207 CUO 134 | 12 B1 | Alpolen® 1000 - Yeşil | C 3818 SS | 3/4" | 25 | 20 | 27 | 5,7 | 3,9 | 7 | 2 | 1,270 |
| 207 CUO 100 | 16 B1 | Alpolen® 1000 - Yeşil | C 3818 ZN | 1" | 35 | 25 | 33 | 10 | 8,4 | 9 | 2 | 2,030 |
| 207 CUO 101 | 16 B1 | Alpolen® 1000 - Yeşil | C 3818 SS | 1" | 35 | 25 | 33 | 10 | 8,4 | 9 | 2 | 2,030 |

