ALPOLEN® 1000 AL ZİNCİR KIZAKLARI
ALPOLEN® 1000 AL zincir kızakları, yüksek moleküler ağırlıklı polietilen (UHMW–PE) esaslı, özel katkılarla geliştirilmiş üstün kaydırma ve zincir taşıma elemanlarıdır. Alüminyum alt profil ile desteklenen bu yapı, yüksek yük altında dahi stabil çalışma ve uzun kullanım ömrü sağlar.
Öne Çıkan Özellikler
- Düşük sürtünme katsayısı
- Yüksek aşınma direnci
- Sessiz çalışma
- Zincir ömrünü uzatır
- Alüminyum alt profil ile ekstra rijitlik
- Yüzeyde yapışma yapmaz
- Korozyona dayanıklı
Teknik Avantajlar
- Sürekli çalışma uygulamalarında düşük ısı oluşumu
- Yüksek kayma performansı
- Çarpmaya dayanıklı yapı
- Kimyasal maddelere dayanım
- Uzun zaman stabil ölçüsel dayanım
Kullanım Alanları
Bu ürün özellikle aktif zincir taşıma sistemlerinde tercih edilir:
- Konveyör hatları
- Paketleme makineleri
- Gıda işleme hatları
- İçecek ve şişeleme üretim tesisleri
- Otomasyon sistemleri
- Lojistik otomasyon
- Palet transfer sistemleri
Neden ALPOLEN® 1000 AL?
Aluminium alt profilli kızaklar, yüksek yük altında zincirin doğrusal çalışmasını garanti eder.
Böylece;
- zincir yıpranmaz,
- kızak aşınması azalır,
- bakım maliyeti düşer,
- kayma kayıpları minimuma iner.
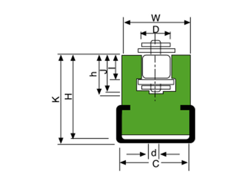
| Profil Bölümü: "TT" | ||||||||||||||||
|---|---|---|---|---|---|---|---|---|---|---|---|---|---|---|---|---|
| Stok Kod | ISO | Hatve | Kılavuz | Malzeme | W | H | K | I | J | h | d | D | C | L | Kg/m | |
| 207 ALC 038 | 06 B | 3/8" | C 2010 ZN | Alpolen® 1000 - Yeşil | 20 | 17,5 | 21 | 5,6 | 8,7 | 9,9 | 4 | 6,6 | 9,3 | 2 | 0,622 | |
| 207 ALP 038 | 06 B | 3/8" | C 2010 SS | Alpolen® 1000 - Yeşil | 20 | 17,5 | 21 | 5,6 | 8,7 | 9,9 | 4 | 6,6 | 9,3 | 2 | 0,622 | |
| 207 ALC 012 | 08 B | 1/2" | C 2812 ZN | Alpolen® 1000 - Yeşil | 28 | 27,5 | 32 | 7,6 | 11,5 | 12,7 | 5 | 8,7 | 12,8 | 2 | 1,450 | |
| 207 ALP 012 | 08 B | 1/2" | C 2812 SS | Alpolen® 1000 - Yeşil | 28 | 27,5 | 32 | 7,6 | 11,5 | 12,7 | 5 | 8,7 | 12,8 | 2 | 1,450 | |
| 207 ALC 058 | 10 B | 5/8" | C 2812 ZN | Alpolen® 1000 - Yeşil | 28 | 27,5 | 32 | 9,3 | 13,5 | 14,8 | 6 | 10,4 | 15,4 | 2 | 1,402 | |
| 207 ALP 058 | 10 B | 5/8" | C 2812 SS | Alpolen® 1000 - Yeşil | 28 | 27,5 | 32 | 9,3 | 13,5 | 14,8 | 6 | 10,4 | 15,4 | 2 | 1,402 | |
| 207 ALC 034 | 12 B | 3/4" | C 3818 ZN | Alpolen® 1000 - Yeşil | 38 | 34 | 43 | 11,5 | 15,9 | 17,5 | 7 | 12,3 | 16,9 | 2 | 1,709 | |
| 207 ALP 034 | 12 B | 3/4" | C 3818 SS | Alpolen® 1000 - Yeşil | 38 | 34 | 43 | 11,5 | 15,9 | 17,5 | 7 | 12,3 | 16,9 | 2 | 1,709 | |
| 207 ALC 100 | 16 B | 1" | C 3818 ZN | Alpolen® 1000 - Yeşil | 38 | 40 | 50 | 15,9 | 25,7 | 28,2 | 9 | 16,2 | 24,2 | 2 | 1,600 | |
| 207 ALP 100 | 16 B | 1" | C 3818 SS | Alpolen® 1000 - Yeşil | 38 | 40 | 50 | 15,9 | 25,7 | 28,2 | 9 | 16,2 | 24,2 | 2 | 1,600 | |
| 207 ALC 114 | 20 B | 1 1/4" | C 6020 ZN | Alpolen® 1000 - Yeşil | 60 | 45 | 55 | 19,4 | 29,3 | 31,2 | 11 | 19,3 | 27,5 | 2 | 4,800 | |
| 207 ALP 114 | 20 B | 1 1/4" | C 6020 SS | Alpolen® 1000 - Yeşil | 60 | 45 | 55 | 19,4 | 29,3 | 31,2 | 11 | 19,3 | 27,5 | 2 | 4,800 | |
| 207 ALC 112 | 24 B | 1 1/2" | C 6020 ZN | Alpolen® 1000 - Yeşil | 60 | 55 | 65 | 25,2 | 38,2 | 40,1 | 16 | 25,7 | 36,5 | 2 | 5,000 | |
| 207 ALP 112 | 24 B | 1 1/2" | C 6020 SS | Alpolen® 1000 - Yeşil | 60 | 55 | 65 | 25,2 | 38,2 | 40,1 | 16 | 25,7 | 36,5 | 2 | 5,000 | |
| 207 ALC 134 | 28 B | 1 3/4" | C 6020 ZN | Alpolen® 1000 - Yeşil | 70 | 70 | 80 | 30,8 | 46,9 | 48,9 | 17 | 28,3 | 41,5 | 2 | 6,200 | |
| 207 ALP 134 | 28 B | 1 3/4" | C 6020 SS | Alpolen® 1000 - Yeşil | 70 | 70 | 80 | 30,8 | 46,9 | 48,9 | 17 | 28,3 | 41,5 | 2 | 6,200 | |
| 207 ALC 200 | 32 B | 2" | C 6020 ZN | Alpolen® 1000 - Yeşil | 70 | 70 | 80 | 30,8 | 47,3 | 53,0 | 19 | 29,6 | 44,5 | 2 | 6,200 | |
| 207 ALP 200 | 32 B | 2" | C 6020 SS | Alpolen® 1000 - Yeşil | 70 | 70 | 80 | 30,8 | 47,3 | 53,0 | 19 | 29,6 | 44,5 | 2 | 6,200 | |
| L: Standart Uzunluk (metre) | ||||||||||||||||
