206 OGZ - GEÇMELİ Z PROFİL ALPOLEN® 1000 | Konveyör & Paketleme Profili
|
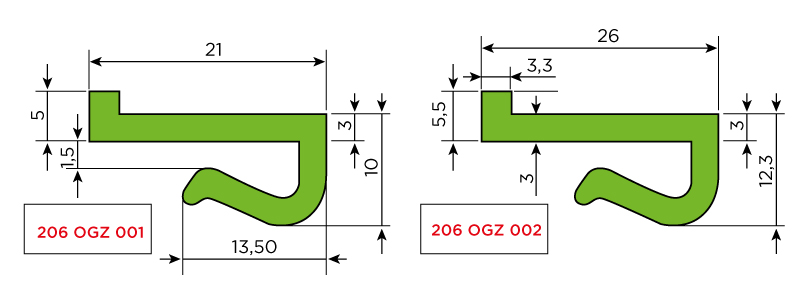
206 OGZ Geçmeli Z Profil, özellikle konveyör sistemleri, paketleme hatları ve endüstriyel taşıma uygulamaları için geliştirilmiş “Z” kesit profil çözümüdür. Alpolen® 1000 (UHMW PE 1000) malzemesinden üretilmiş olan bu profil; yüksek sürtünme direnci, düşük sürtünme katsayısı, kimyasal direnç, düşük sıcaklıklarda çalışabilme ve kayganlık gibi özellikleri bir arada sunar. Profil, 1,5–2 mm kalınlığındaki sac veya levhalara hızlı ve güvenli şekilde geçmeli olarak monte edilir — vida, yapıştırıcı veya ek sabitleme elemanına ihtiyaç yoktur. Kullanım Alanları
Ürünün Avantajları
Neden Alpolen® 1000? Alpolen® 1000 (UHMW PE 1000) malzemesi;
Konveyör sektöründe en çok tercih edilen mühendislik plastiklerinden biridir. |
|
Profiles : "Z" |
|||||||||
| Stok Kod | Malzeme | Açıklama | L | Kg / m | |||||
| 206 OGZ 001 | Alpolen® 1000 - Yeşil | P / P 21 | 60 | 0,12 | |||||
| 206 OGZ 002 | Alpolen® 1000 - Yeşil | P / P 25 | 60 | 0,17 | |||||
| 206 MGZ 002 | PVC | ||||||||
| L : Standart Uzunluk (meter) | |||||||||

