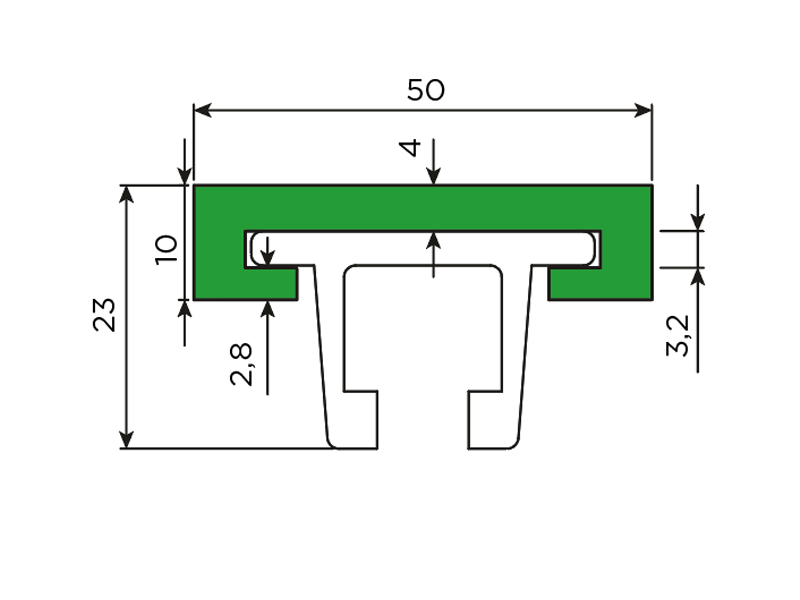
206 AGC – 50 mm C Profil
206 AGC – 50 mm C Profil, endüstriyel sürtünme ve kaydırma profillerinin montajında kullanılan, dayanıklı alüminyum taşıyıcı yapıdır. 50 mm genişlik standardı sayesinde daha yüksek yük kapasitesi ve stabil çalışma sağlar. Konveyör ve endüstriyel kızak sistemlerinin temel taşıyıcı elemanıdır.
Ürün Özellikleri
- Alüminyum taşıyıcı gövde
- 50 mm C profil standardı
- Mekanik dayanımı yüksek
- Hafif ve paslanmaz yapı
- Kolay montaj tasarımı
- Sürtünme profilleri ile uyumlu
206 AGC – 50 mm C Profil Avantajları
- Paslanma yapmaz
- Uzun hizmet ömrü
- Düşük bakım maliyeti
- Yüksek dayanım – düşük ağırlık
- Çelik taşıyıcıya göre daha hafif
- Konveyör kızaklarına ideal
Kullanım Alanları
- Konveyör sistemleri
- Otomasyon hatları
- Kaydırma kızakları
- Paketleme makineleri
- Taşıma sistemleri
- Endüstriyel sürtünme altyapıları
Neden 50 mm C Profil?
- Daha yüksek taşıma kapasitesi
- Büyük konveyör sistemleriyle uyumlu
- Dayanıklı gövde yapısı
- Endüstriyel standart ölçü
|
Stok Kod |
Malzeme | Kesit Çevresi (mm) | Alan (mm2) | Kg/m | L |
|---|---|---|---|---|---|
| 206 AGC 050 | AL + Alpolen | 151 | 256,64 | 0,800 | 6 |
