202 863 - DOĞRUSAL YATAKLAR (863 SERİSİ)
202 863 – doğrusal yataklar, lineer hareket uygulamalarında hassas, düşük sürtünmeli ve yüksek taşıma kapasitesine sahip kılavuzlama çözümleri sunar. 863 serisi, hem endüstriyel otomasyon hem de makine imalatında güvenilir ve uzun ömürlü çalışma için tasarlanmıştır.
Lineer mil üzerinde hassas kayma performansı sağlar ve yüksek tekrarlanabilirlik gerektiren sistemlerde verimi artırır.
Teknik Özellikler
- Düşük sürtünme katsayısı
- Yüksek hassasiyetli lineer kayma
- Sessiz çalışma
- Toz ve partikül dayanımı
- Uzun servis ömrü
- Hassas rulmanlı yapı
Avantajları
- Kolay montaj
- Yüksek pozisyonlama hassasiyeti
- Yüksek yük taşıma kapasitesi
- Darbe ve titreşime dayanım
- Minimum bakım ihtiyacı
- Çalışma verimini artırır
Kullanım Alanları
- CNC makineleri
- Otomasyon sistemleri
- Robotik akslar
- Endüstriyel kaydırma mekanizmaları
- Taşıma sistemleri
- Paketleme makineleri
- Özel makine imalatı
863 Serisi Neden Tercih Edilir?
✔ Uzun ömür
✔ Düşük bakım maliyeti
✔ Düzgün ve sessiz çalışma
✔ Hassas hareket kontrolü
✔ Yüksek dayanım
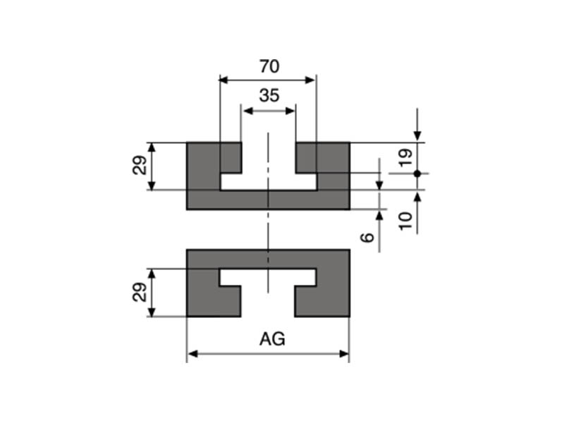
| Stok Kod | Malzeme | Bant Genişliği | AG |
|---|---|---|---|
| 202 863 082 | Alpolen® 1000 | 82,6 | 100 |
| 202 863 114 | Alpolen® 1000 | 114,3 | 130 |
| 202 863 190 | Alpolen® 1000 | 190,5 | 200 |
| 202 863 254 | Alpolen® 1000 | 254,0 | 270 |
| 202 863 304 | Alpolen® 1000 | 304,8 | 320 |

